EasyManua.ls Logo

Lexmark X820E - Page 28

Lexmark X820E
406 pages
Print Icon
To Next Page IconTo Next Page
To Next Page IconTo Next Page
To Previous Page IconTo Previous Page
To Previous Page IconTo Previous Page
Loading...
1-10 Service Manual
4025-XXX
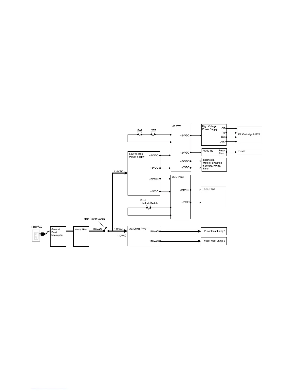
The PSHV-R2 converts the +24VDC received from the I/O PWB into the bias voltage
required by the Fuser.
Safety Interlocks for the printer are made up of two separate switches that are wired in
series with the I/O PWB and one switch that is attached to the MCU PWB. When the
Front Cover is open, the Front Cover Interlock Switch cuts +24VDC output from the
MCU PWB.
When the EP Cartridge is in place, Interlock Switch SW1 is closed. When the Left Hand
Cover is closed, Interlock Switch SW2 is closed. With both switches closed, the circuit is
complete and the I/O PWB sends +24VDC to the HVPS and other printer components. If
either SW1 is open (the EP Cartridge removed) or SW2 is open (the Left Hand Cover is
open) the I/O PWB cuts all +24VDC output from the I/O PWB.

Table of Contents

Other manuals for Lexmark X820E

Related product manuals