EasyManua.ls Logo

Lexmark X820E - Master Wiring Diagram

Lexmark X820E
406 pages
Print Icon
To Next Page IconTo Next Page
To Next Page IconTo Next Page
To Previous Page IconTo Previous Page
To Previous Page IconTo Previous Page
Loading...
5-16 Service Manual
4025-XXX
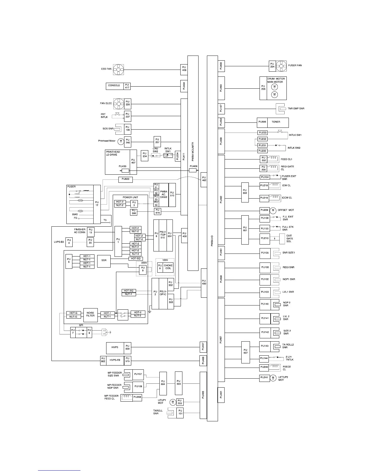
Master Wiring Diagram

Table of Contents

Other manuals for Lexmark X820E

Related product manuals