EasyManua.ls Logo

Lexmark X820E - Page 323

Lexmark X820E
406 pages
Print Icon
To Next Page IconTo Next Page
To Next Page IconTo Next Page
To Previous Page IconTo Previous Page
To Previous Page IconTo Previous Page
Loading...
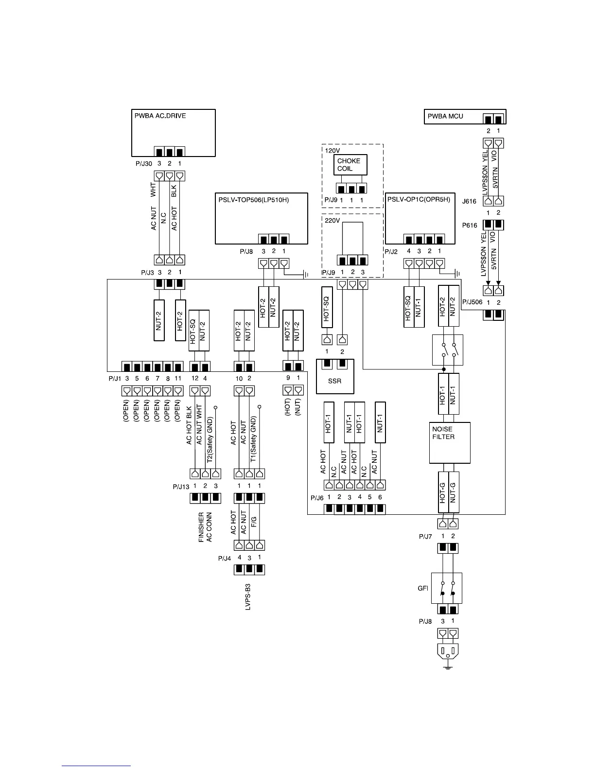
Connector Locations 5-17
4025-XXX
BD1 AC inNoise FilterLVPSMCU PWBAC Drive
PWB

Table of Contents

Other manuals for Lexmark X820E

Related product manuals