EasyManua.ls Logo

Lexmark X820E - Offset Motor

Lexmark X820E
406 pages
Print Icon
To Next Page IconTo Next Page
To Next Page IconTo Next Page
To Previous Page IconTo Previous Page
To Previous Page IconTo Previous Page
Loading...
Repair Information 4-73
4025-XXX
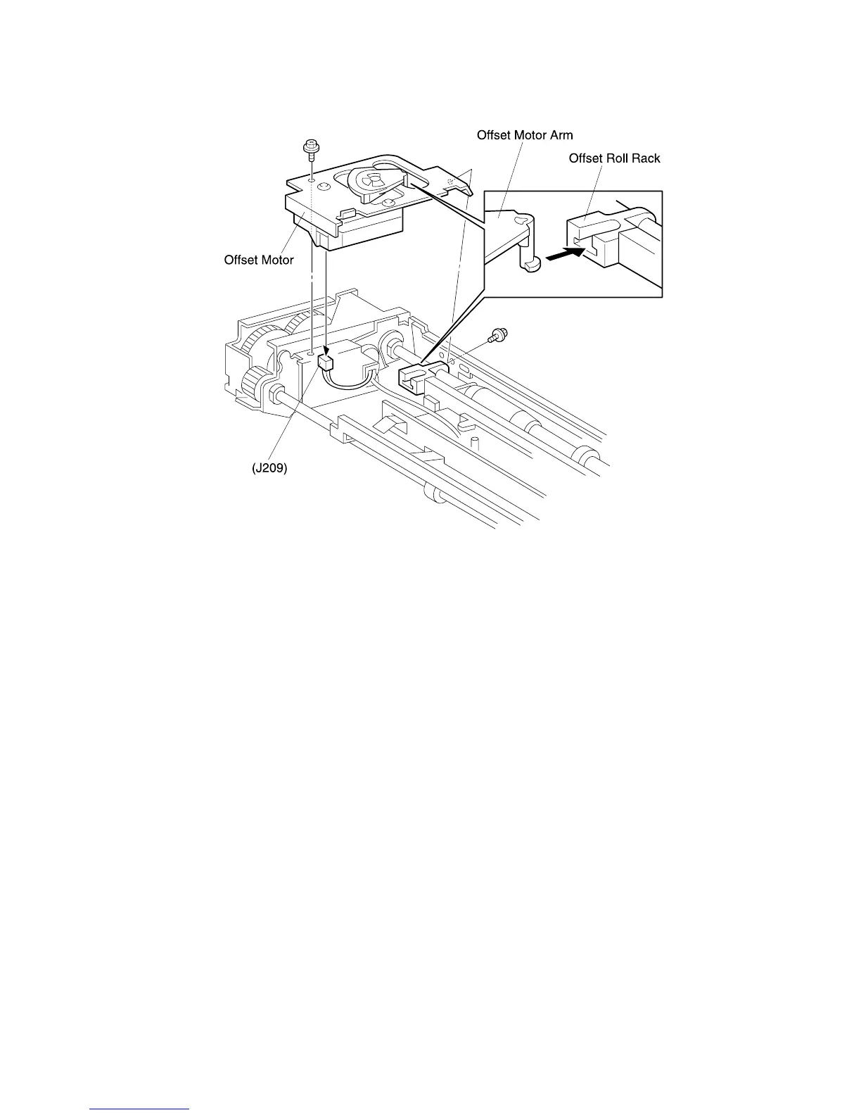
Offset Motor
Removal
1. Remove the Fuser Full Cover.
2. Disconnect J209 and remove the wire harness from the harness clips.
3. Squeeze the latches to unlock the Full Stack Sensor, and remove the Sensor from
the Offset Assembly.
Replacement
1. Reinstall the Full Stack Sensor by pressing the Sensor latches into the cutouts in the
Offset Assembly. Make sure you install the Sensor with the wire positioned to the
rear of the Offset Assembly, and the Sensor actuator moves freely through the
cutout below the Sensor.
2. Reconnect J209 and secure the wire harness under the harness clips.
3. Reinstall the Fuser Full Cover.

Table of Contents

Other manuals for Lexmark X820E

Related product manuals