EasyManua.ls Logo

Lexmark X820E - Page 81

Lexmark X820E
406 pages
Print Icon
To Next Page IconTo Next Page
To Next Page IconTo Next Page
To Previous Page IconTo Previous Page
To Previous Page IconTo Previous Page
Loading...
General Information 1-63
4025-XXX
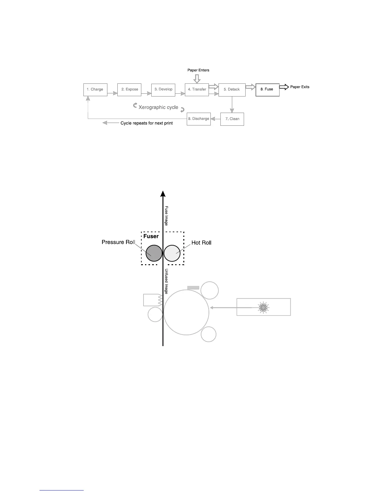
8. Fusing
Image fusing is the sixth step of the print cycle.
When a sheet of paper leaves the transfer area, static electricity holds the unfused toner
image to the surface of the paper. After transfer, the paper moves to the Fuser where it
passes between the Hot Roll and the Pressure Roll. The combination of heat and
pressure melts the toner image and bonds it permanently to the paper. The fused sheet
of paper is then transported to the output tray.

Table of Contents

Other manuals for Lexmark X820E

Related product manuals