EasyManua.ls Logo

Linde H 80 D - Page 203

Linde H 80 D
282 pages
Print Icon
To Next Page IconTo Next Page
To Next Page IconTo Next Page
To Previous Page IconTo Previous Page
To Previous Page IconTo Previous Page
Loading...
Page 31
Section 4.6
Service Training
09.04
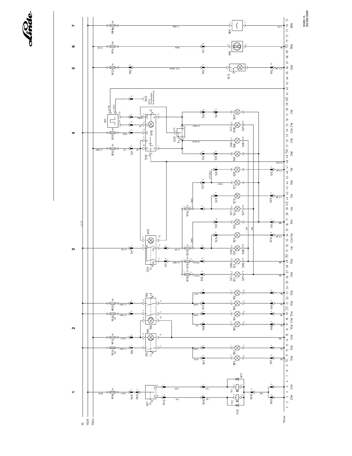
CIRCUIT DIAGRAMM FOR OPTIONAL EQUIPMENT H 50/60/70/80 -03, TYPE 353 LPG

Table of Contents

Related product manuals