EasyManua.ls Logo

Linde H 80 D - Reduction Gearbox with Disc Brake (GR 80 -02;-03;-04)

Linde H 80 D
282 pages
Print Icon
To Next Page IconTo Next Page
To Next Page IconTo Next Page
To Previous Page IconTo Previous Page
To Previous Page IconTo Previous Page
Loading...
Service Training
Page 4.2
Section 36
09.04
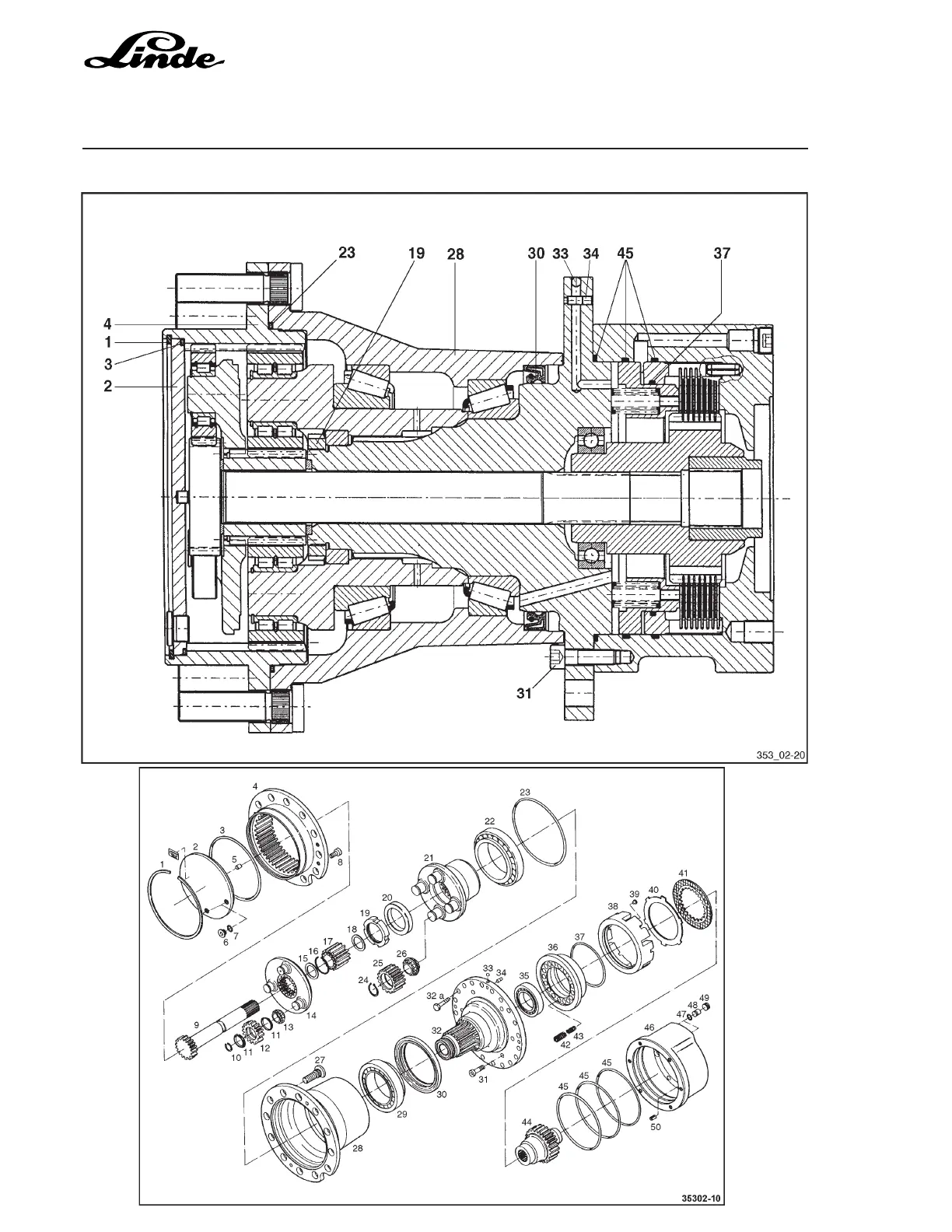
4.2.4.1 REDUCTION GEARBOX WITH DISC BRAKE (GR 80 -02/-03/-04)

Table of Contents

Related product manuals