EasyManua.ls Logo

Linde H 80 D - Central Electrics of Series; Relay and Fuses of 353 -03 Diesel

Linde H 80 D
282 pages
Print Icon
To Next Page IconTo Next Page
To Next Page IconTo Next Page
To Previous Page IconTo Previous Page
To Previous Page IconTo Previous Page
Loading...
Page 36
Section 4.6
Service Training
09.04
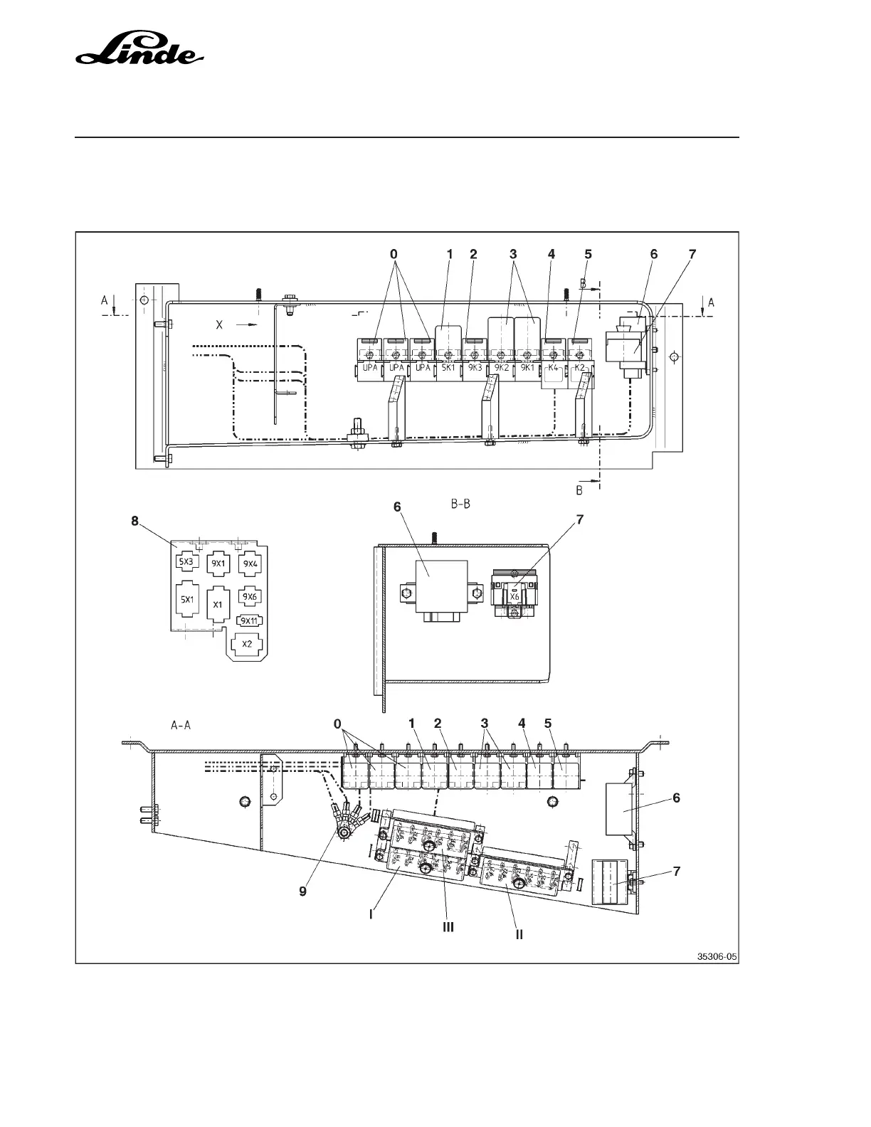
4.6.10 CENTRAL ELECTRICS OF SERIES 353 -03
4.6.10.1 RELAY AND FUSES OF 353 -03 DIESEL
0 Relay for UPA
1 Indicator relay 5K1
2 Wiper relay 9K3
3 Interval relay 9K1/9K2
4 Relay K4 load relay
5 Starter relay K2
6 Control device for heater flange A1
7 Plus distributor
8 Plug for interfaces
9 Minus distributor

Table of Contents

Related product manuals