EasyManua.ls Logo

Linde H 80 D - Page 67

Linde H 80 D
282 pages
Print Icon
To Next Page IconTo Next Page
To Next Page IconTo Next Page
To Previous Page IconTo Previous Page
To Previous Page IconTo Previous Page
Loading...
Seite 9
Abschnitt 4.2
Service Training
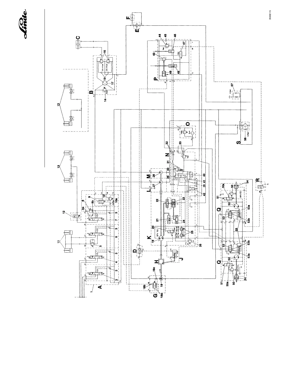
HYDRAULIKSCHALTPLAN H 50/60/70/80, TYP 353

Table of Contents

Related product manuals