EasyManua.ls Logo

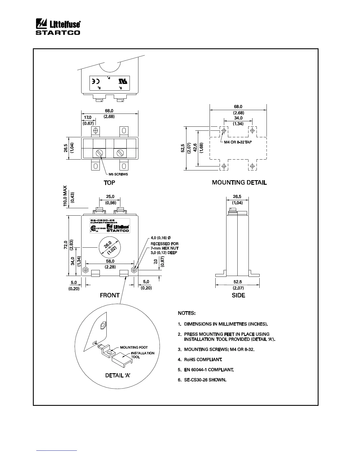
Littelfuse MPS - EFCT-26 and SE-CS30-26 Outline and Mounting Details

Littelfuse MPS
148 pages
Print Icon
To Next Page IconTo Next Page
To Next Page IconTo Next Page
To Previous Page IconTo Previous Page
To Previous Page IconTo Previous Page
Loading...
Page 2-13
MPS Motor Protection System Rev. 6-F-022117
Installation
FIGURE 2.10 EFCT-26 and SE-CS30-26 Outline and Mounting Details.

Table of Contents