EasyManua.ls Logo

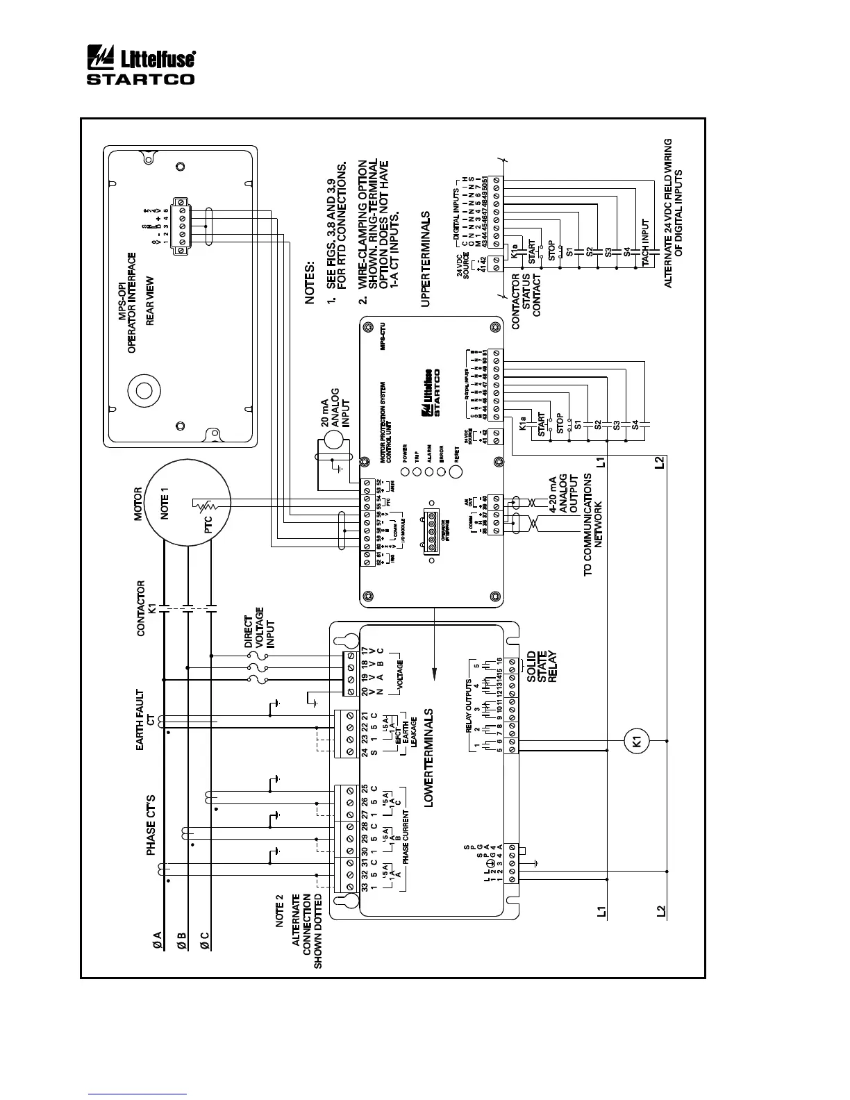
Littelfuse MPS - Typical MPS Connection Diagram

Littelfuse MPS
148 pages
Print Icon
To Next Page IconTo Next Page
To Next Page IconTo Next Page
To Previous Page IconTo Previous Page
To Previous Page IconTo Previous Page
Loading...
Page 3-2
MPS Motor Protection System Rev. 6-F-022117
System Wiring
FIGURE 3.2 Typical MPS Connection Diagram.

Table of Contents