EasyManua.ls Logo

Littelfuse MPS - Wye-Delta Open-Transition-Starter Connection; Autotransformer Closed-Transition-Starter Connection

Littelfuse MPS
148 pages
Print Icon
To Next Page IconTo Next Page
To Next Page IconTo Next Page
To Previous Page IconTo Previous Page
To Previous Page IconTo Previous Page
Loading...
Page 6-14
MPS Motor Protection System Rev. 6-F-022117
Starter Functions
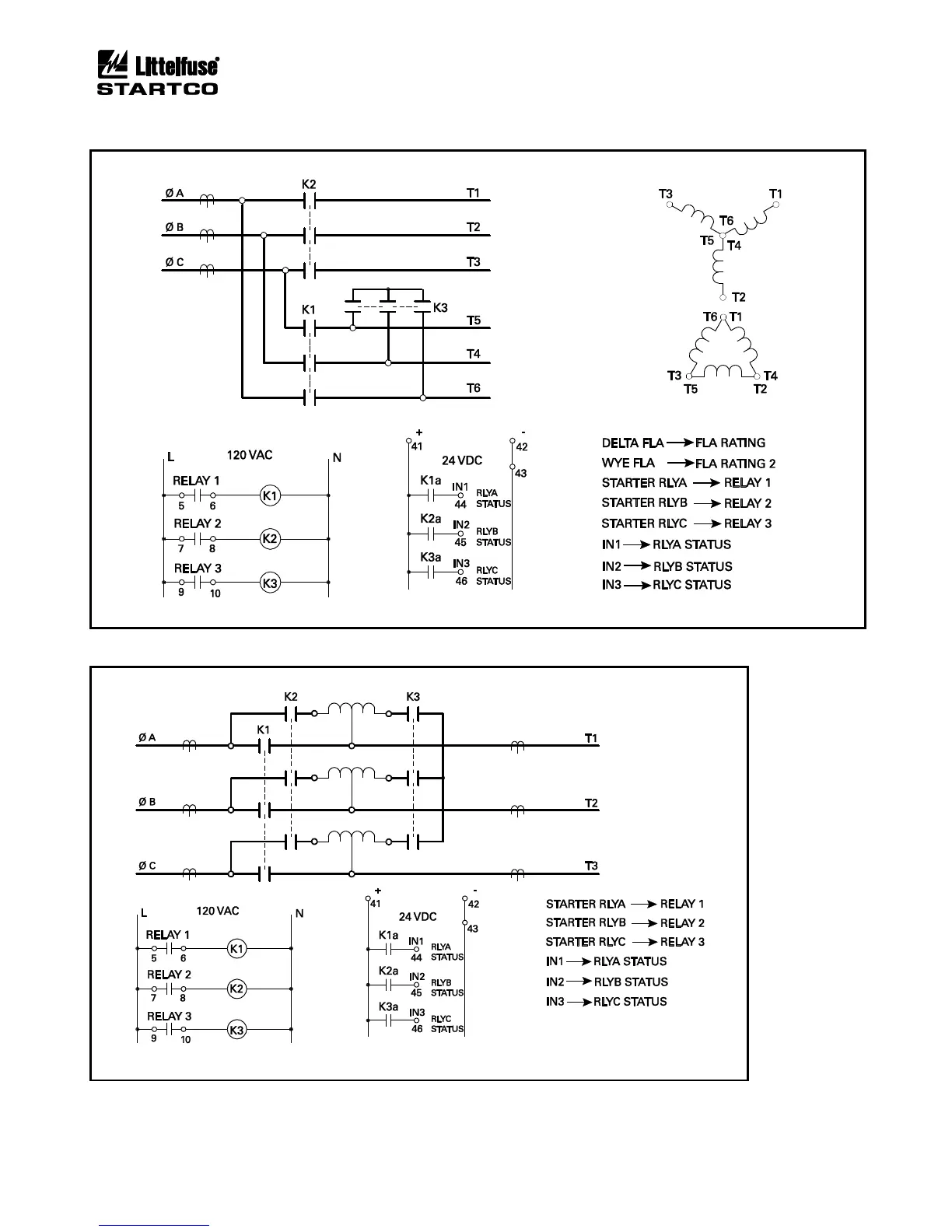
FIGURE 6.21 Wye-Delta Open-Transition-Starter Connection.
FIGURE 6.22 Autotransformer Closed-Transition-Starter Connection.

Table of Contents