EasyManua.ls Logo

Marantz SA12 - Product Selector Guide; Block Diagram

Marantz SA12
164 pages
Print Icon
To Next Page IconTo Next Page
To Next Page IconTo Next Page
To Previous Page IconTo Previous Page
To Previous Page IconTo Previous Page
Loading...
158
PRODUCT SELECTOR GUIDE
Note: See “AC Characteristics” for full specifications.
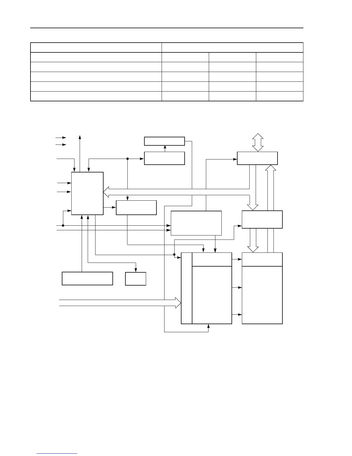
BLOCK DIAGRAM
Family Part Number Am29LV160B
Ordering Part Number: V
CC
=3.0–3.6 V 80R
V
CC
= 2.7–3.6 V 90 120
Max access time, ns (t
ACC
) 80 90 120
Max CE# access time, ns (t
CE
) 80 90 120
Max OE# access time, ns (t
OE
) 30 35 50
Input/Output
Buffers
X-Decoder
Y-Decoder
Chip Enable
Output Enable
Logic
Erase Voltage
Generator
PGM Voltage
Generator
Timer
V
CC
Detector
State
Control
Command
Register
V
CC
V
SS
WE#
BYTE#
CE#
OE#
STB
STB
DQ0
DQ15 (A-1)
Sector Switches
RY/BY#
RESET#
Data
Latch
Y-Gating
Cell Matrix
Address Latch
A0–A19
21358C-1

Table of Contents

Related product manuals