EasyManua.ls Logo

Marantz SA12 - IC Description of Linear Power Supply; Ta7317 P

Marantz SA12
164 pages
Print Icon
To Next Page IconTo Next Page
To Next Page IconTo Next Page
To Previous Page IconTo Previous Page
To Previous Page IconTo Previous Page
Loading...
184
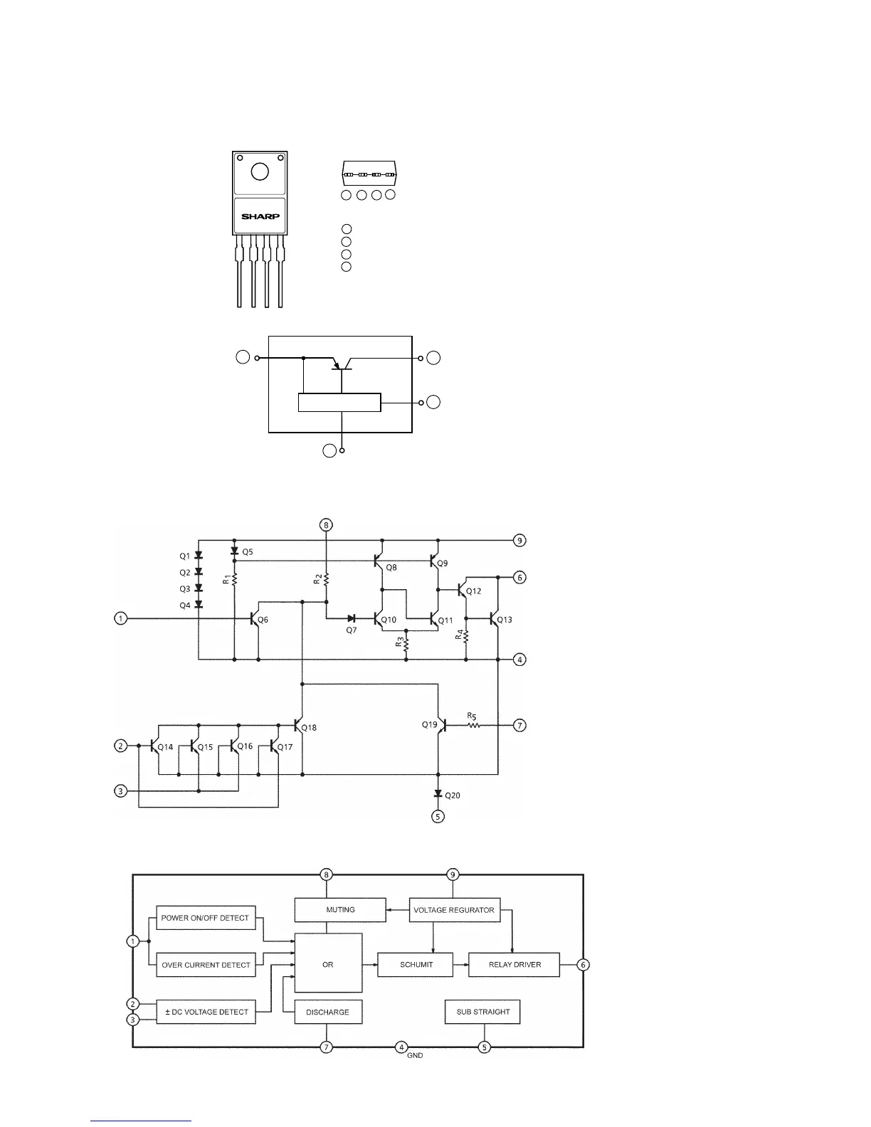
9.26 IC description of Linear power supply
PQ15RW11
1 DC input(Vin)
2 DC output(Vo)
3 GND
4 Output voltage adjustment
terminal(Vadj)
1
23
4
PQ15RW11
1
4
2
3
Input
Output
GND
Specific IC
Output voltage
adjustment terminal
TA7317P
Block Diagram
Pin Configuration
CL 06532152_102.eps
131200

Table of Contents

Related product manuals