EasyManua.ls Logo

Matrox Solios Series - Page 56

Matrox Solios Series
196 pages
Print Icon
To Next Page IconTo Next Page
To Next Page IconTo Next Page
To Previous Page IconTo Previous Page
To Previous Page IconTo Previous Page
Loading...
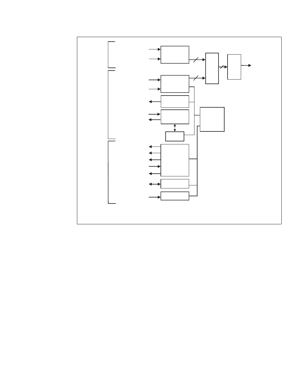
56 Chapter 4: Matrox Solios hardware reference
24
24
PSG
First
MDR-26
connector
ChannelLink
Receiver #1
Clock
Data (24)
& Syncs (4)*
SerTFG
SerTC
Second
MDR-26
connector
UART
LVDS
drivers
and
receivers
OptoAux (4)
DB-44 and
DB-9
connectors**
TTL buffers
Aux In (4)
Aux Out (2)
HSYNC Out (1)
VSYNC Out (1)
Clock Out (1)
Optocoupler
Aux I/Os (4)
ChannelLink
Receiver #2
Clock
Data (24)
& Syncs (4)*
Cam Ctrl (4)
LVDS
drivers
LVDS driver
& receiver
LUTs
48
Demultiplexer
* 28 bits serialized across 4 LVDS pairs.
Video
to
PCI-X
bridge
Acquisition section of
Matrox Solios eCL/XCL
dual-Base/single-Medium
(single-Medium mode)

Table of Contents

Related product manuals