EasyManua.ls Logo

Medifa 6000 - Hydraulic Diagrams; Hydraulic Diagram (Model 601120)

Medifa 6000
66 pages
Print Icon
To Next Page IconTo Next Page
To Next Page IconTo Next Page
To Previous Page IconTo Previous Page
To Previous Page IconTo Previous Page
Loading...
56
Rechter Rücken-Zylinder
Linker Rücken-Zylinder
600 01
L
Rotationsventil II (4x90°)
A
B
Hub-Zylinder Lateral-ZylinderTrendelenburg-Zylinder
Rotationsventil I (4x90°)
600 02
600 03
M
T
A
Hydraulik-Aggregat
Verteilerplatte
B
Brems-Zylinder
600 04
600 05
600 06
600 07
600 08 600 09
600 10
600 11
600 12
600 13
600 14
600 15
120 01 120 02
5. Rad Zylinder
120 03
120 04
120 06
120 05
120 07
120 08
Anschlüsse
Rückseite
Rotationsventil I
600 04
600 05
600 06
600 08
600 09
600 07
600 10
600 11
600 12
600 14
600 15
600 13
Anschlüsse
Rückseite
Rotationsventil II
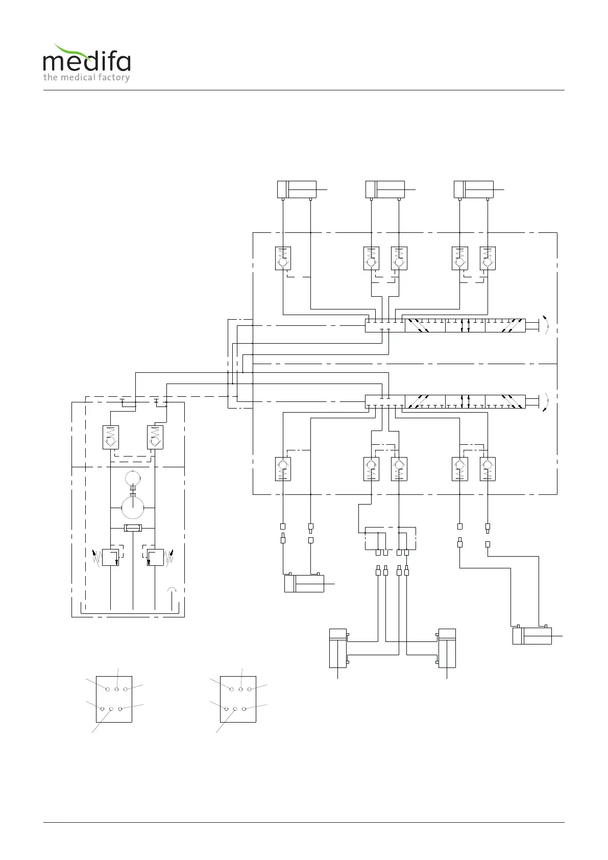
Service manual for medifa 6000 mobile operating tables, version 2.0
9. Hydraulic diagram
Hydraulic diagram
9.1 Hydraulic diagram 601120

Table of Contents

Related product manuals