EasyManua.ls Logo

Mercury BRAVO - Cutting Transom; Cutting Transom Procedure

Mercury BRAVO
116 pages
Print Icon
To Next Page IconTo Next Page
To Next Page IconTo Next Page
To Previous Page IconTo Previous Page
To Previous Page IconTo Previous Page
Loading...
GASOLINE ENGINES BRAVO MODELS
Page 36 of 116
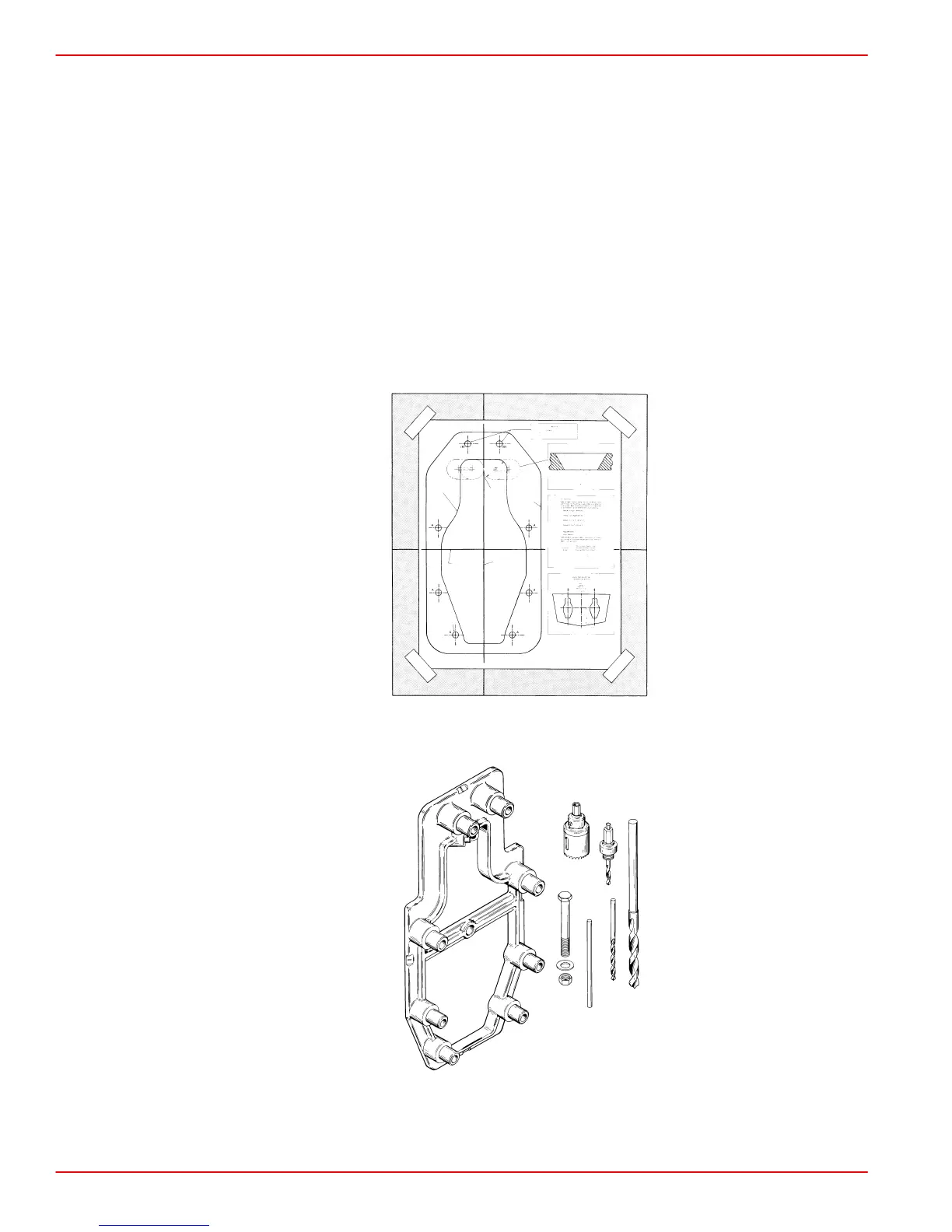
Cutting Transom
Transom cutout can be made by either using the Template [shipped with transom assembly]
or the Transom Drilling Fixture Kit (purchased separately).
Follow instructions indicated on template or provided with drilling fixture.
IMPORTANT:
w Be certain that centerlines on either the template or transom drilling fixture align
with lines previously marked on transom.
w Be sure to drill 1/4 in. pilot holes (for hole saw guide) at a 605 angle and to cut on
the line when making transom cutout. If cutout is made incorrectly, sterndrive unit
steering lever may contact transom, thus limiting steering travel.
w Seal inside edge of transom cutout opening with a suitable sealant to prevent wa-
ter absorption and deterioration of transom.
50017
90-79135--3
Transom Cutout Template
22056
Transom Drilling Fixture Kit

Table of Contents

Other manuals for Mercury BRAVO

Related product manuals