EasyManua.ls Logo

Micros Systems Workstation 4 - Workstation 4 Block Diagram

Micros Systems Workstation 4
128 pages
Print Icon
To Next Page IconTo Next Page
To Next Page IconTo Next Page
To Previous Page IconTo Previous Page
To Previous Page IconTo Previous Page
Loading...
2-10 Workstation 4 Setup Guide
What’s Inside?
System Board
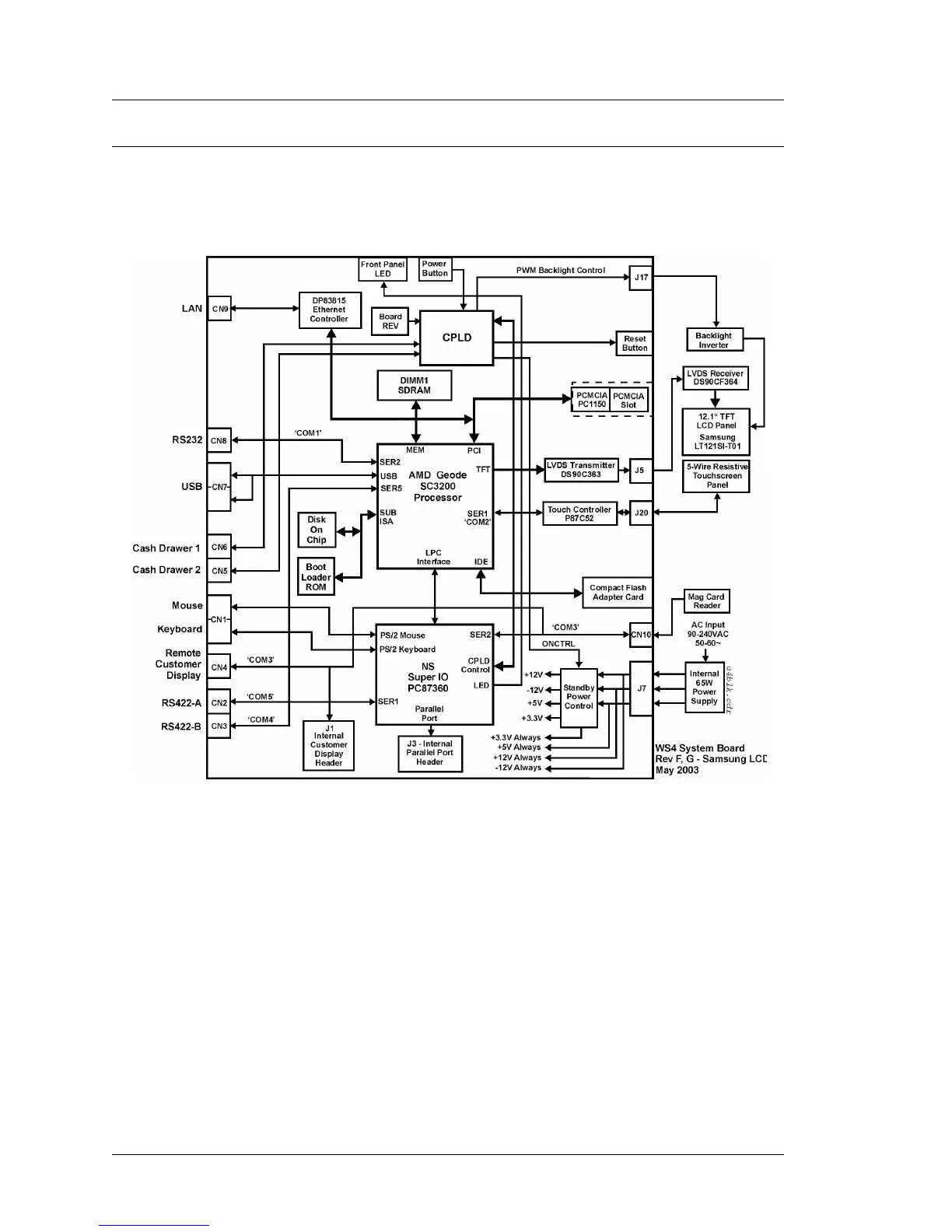
Workstation 4 Block Diagram
Figure 2-11 shows a block diagram of the Workstation 4, including the system
board, internal power supply, as well as the Touch Screen and LCD.
Figure 2-11: Workstation 4 Block Diagram
Advanced Micro Devices (AMD) Geode SC3200
The SC3200 is now a member of the Advanced Micro Devices (AMD)
WebPAD on a Chip family of highly integrated x86 system devices. AMD
purchased National Semiconductor Corporation Geode processor line in 2003.
The SC3200 consists of a GX1 processor core integrated with a TFT LCD
video controller, x86 PC compatible core logic and super IO. The features of
this chip are listed below.
GX1 266MHz 32-bit x86 compatible processor with MMX instruction set
support.
64-Bit SDRAM memory controller (78Mhz memory bus)

Table of Contents

Related product manuals