EasyManua.ls Logo

Midland SP-8 - Electrical Installn, Standard Confign, Single Sided, SP-772 Rev-A; 13 Lectrical I Nstallation

Midland SP-8
145 pages
Print Icon
To Next Page IconTo Next Page
To Next Page IconTo Next Page
To Previous Page IconTo Previous Page
To Previous Page IconTo Previous Page
Loading...
www.roadwidener.com
90
Model SP-8 &10
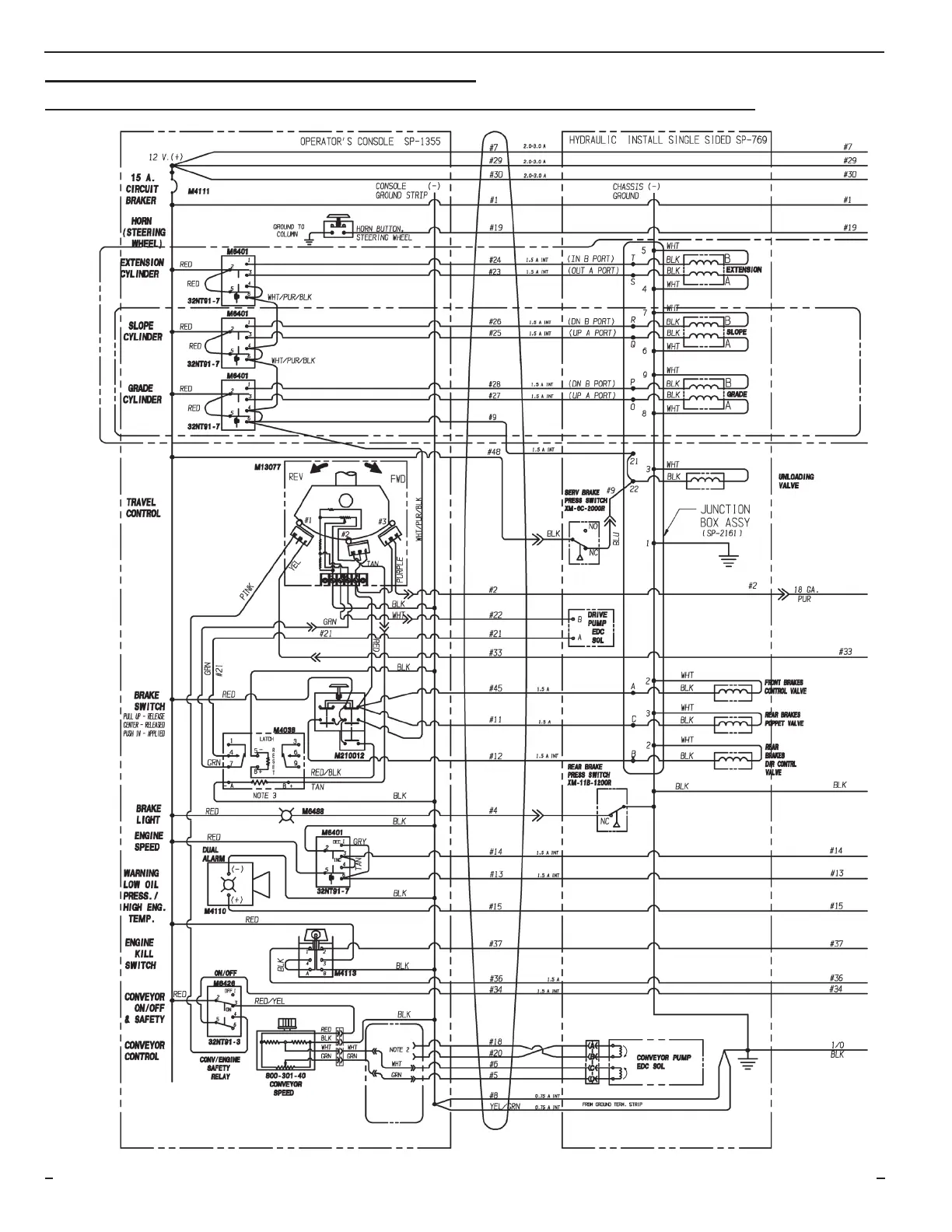
13. eleCtrICAl InstAllAtIon
13.1 eleCtrICAl InstAlln, stAndArd ConfIGn, sInGle sIded, sp-772 rev-A

Table of Contents

Related product manuals