EasyManua.ls Logo

Miyachi IPB-5000A - Connection

Miyachi IPB-5000A
119 pages
Print Icon
To Next Page IconTo Next Page
To Next Page IconTo Next Page
To Previous Page IconTo Previous Page
To Previous Page IconTo Previous Page
Loading...
IPB-5000A
5. Installation and Connection
5-2
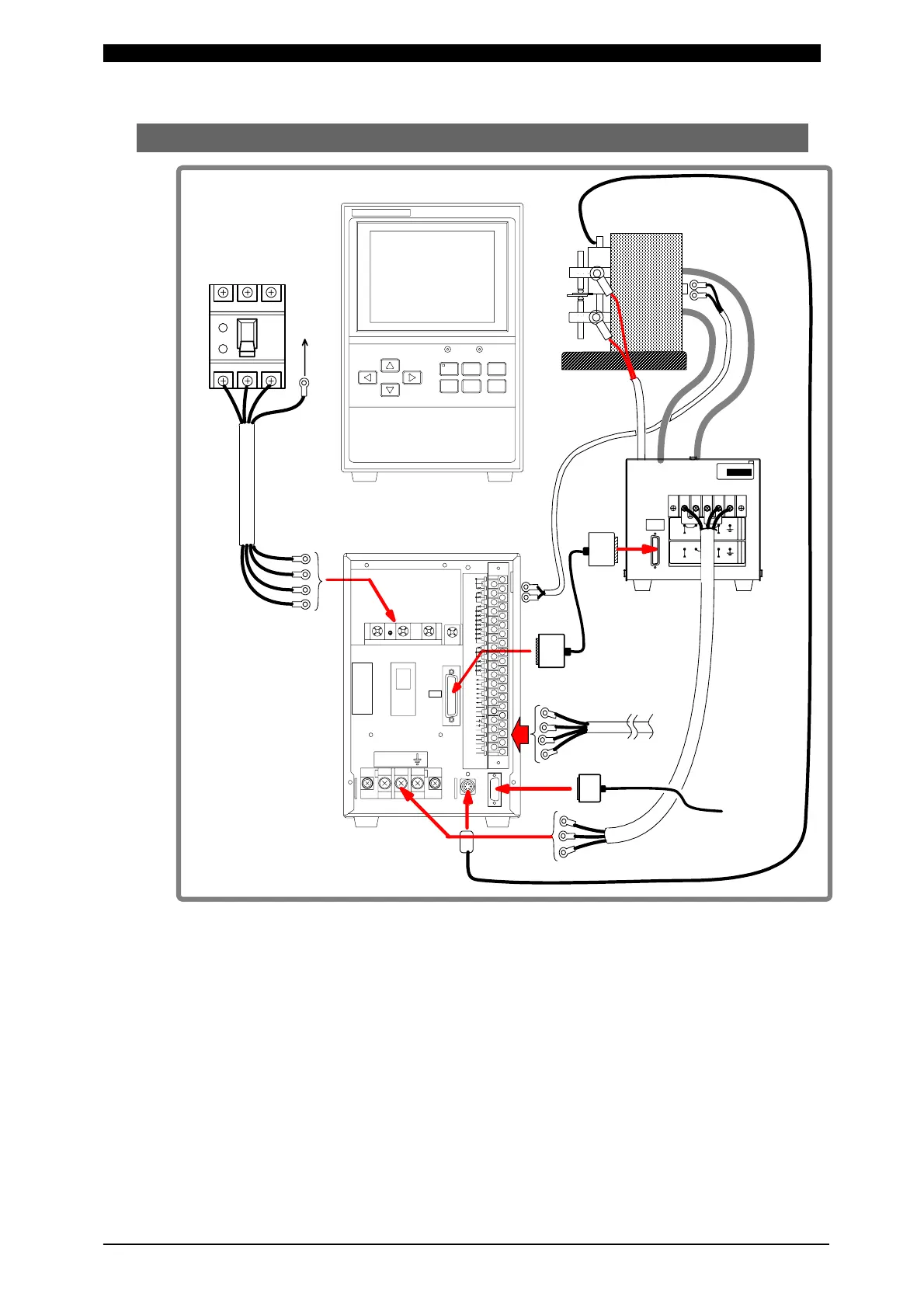
(2) Connection
Numerals of (1) to (8) in the above figure represent the order of connection
procedures in the following pages.
* 1: All items are separately sold except IPB-5000A.
* 2: The Voltage Detecting Cable is used only for Constant Voltage Control,
Constant Current/Constant Voltage Combination Control and Constant Power
Control.
* 3: Communication Cable is used only for connecting Personal Computer (PC).
* 4: Displacement Sensor is used only for the model equipped with the Sensor.
To Ground (G)
Earth
Leakage
Breaker
Input
Cable
Welding Head
IPB
-
5000A
POWERSTART
IPB-5000A
CURSOR
WELD MENU RESET
ENTER
WELDING POWER SUPPLY
11 37353331292725232119171513975
383634323028262422201816141210864
STOP
1ST
2ND
COM
SCH 1
SCH 4
SCH 8
SCH16
SCH32
SCH 2
SCH64
INT.24V
EXT.COM
WELD ON/OFF
ERROR RESET
COM
COM
GOOD
NG
END
CAUTION
COUNT UP
READY
OUT COM
OUT COM
SOL 1
SOL 2
SOL COM
PRG PROTECT
39
PARITY
(WE1 STOP)
COM
W.INTERRUPT
P-00281 -001
COUNT RESET
CONTROL SIG
2
31
(OPTION1)
(OPTION2)
SOL POWER
(OPTION4)
(OPTION5)
(OPTION3)
POWER OUT
P-1463
VU
I/O
SENS
SERIAL
NO.
JAPAN
MIYACHI TE CHNOS CORP.
MADE
IN
A1
1234
インバータ出力電圧 300 V時
FOR INVERTER OUTPUT 300V
インバータ出力電圧 600V
FOR INVERTER OUTPUT 600V
POWER SUPPLY VOLTAGEPOWER SUPPLY VOLTAGE
AC380V~AC4 80VAC200V~AC240V
L1 L2 L3 PE
Front Panel
Rear Panel
Voltage
Detecting
Cable
*2
Secondary
Cable
Welding
Transformer
Input Terminal Block
Output
Cable
(Refer to Caution
below)
[SENS] Cable
External I/O
Signal Cable
Match the designaton
of cable with terminal
for connection
*1
Start
Cable
(1)
(6)
(5)
(4)
(3)
(2)
(7)
(8)
Communication
Cable *3
Displacement
Sensor *4
To PC

Table of Contents

Related product manuals