EasyManua.ls Logo

Monaco Cayman 2005 - Electrical Layout (Typical)

Default Icon
396 pages
Print Icon
To Next Page IconTo Next Page
To Next Page IconTo Next Page
To Previous Page IconTo Previous Page
To Previous Page IconTo Previous Page
Loading...
Electrical Systems - House --- Section 8
Cayman 2005
285
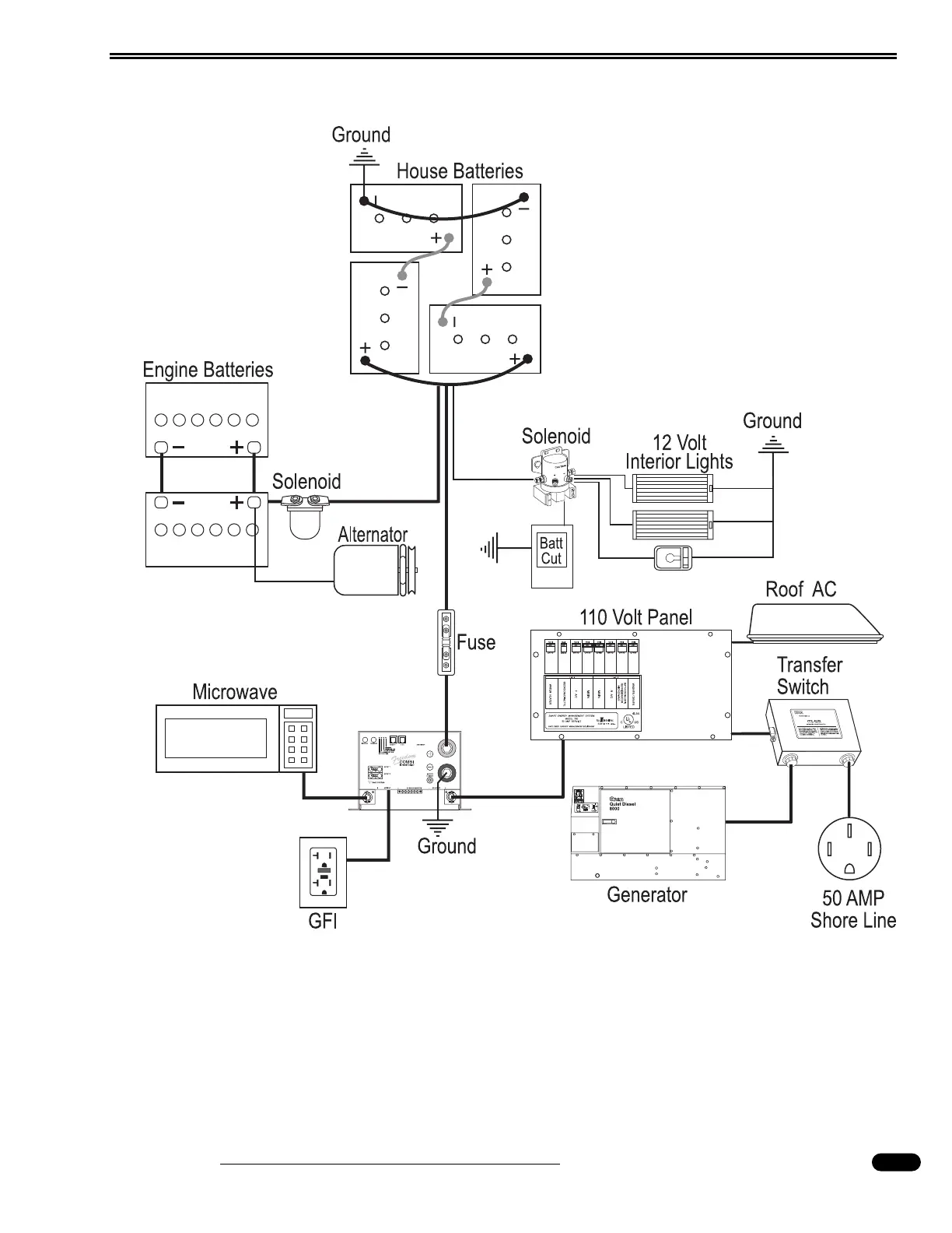
ELECTRICAL LAYOUT (TYPICAL)
060191H
Inverter
Converter
(Optional)

Table of Contents

Related product manuals