EasyManua.ls Logo

Monaco Cayman 2005 - Fuses & Circuits; Front Distribution Panel

Default Icon
396 pages
Print Icon
To Next Page IconTo Next Page
To Next Page IconTo Next Page
To Previous Page IconTo Previous Page
To Previous Page IconTo Previous Page
Loading...
Electrical Systems - Chassis --- Section 9
Cayman 2005
291
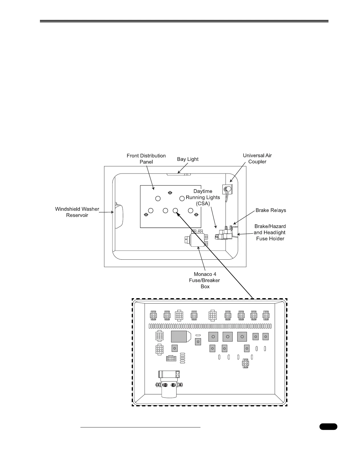
FUSES & CIRCUITS - Front Distribution Panel
The front electrical panel is located in the outside roadside front compartment and contains the
fuses, self resetting supply circuit breakers, solenoid and relays.
The automotive fuses and emergency flashers are located in the front electrical panel. The fuses are the
standard plug-in type (ATO). When a fuse “BLOWS,” the wire in middle of the plastic case will be
broken. A bad or blown fuse must be replaced with a fuse of the same rating and type. Using a fuse of
a different type rating will defeat the circuit protection provided by the fuse, which could result in
damage to the motorhome’s electrical system. If a fuse has been replaced and it “BLOWS” repeatedly,
that may be an indication that a fault exists or an electronic component has failed. It is recommended
that the motorhome be taken to a qualified RV technician before any future use to diagnose and repair
the problem. Circuits are identified on the fuse label located on the inside of the electrical cover.
Remove three wing nuts, turn cover over to view.
080427
Panel Cover Removed
090375k

Table of Contents

Related product manuals