EasyManua.ls Logo

Monaco Cayman 2005 - Page 294

Default Icon
396 pages
Print Icon
To Next Page IconTo Next Page
To Next Page IconTo Next Page
To Previous Page IconTo Previous Page
To Previous Page IconTo Previous Page
Loading...
Section 9 --- Electrical Systems - Chassis
Cayman 2005
294
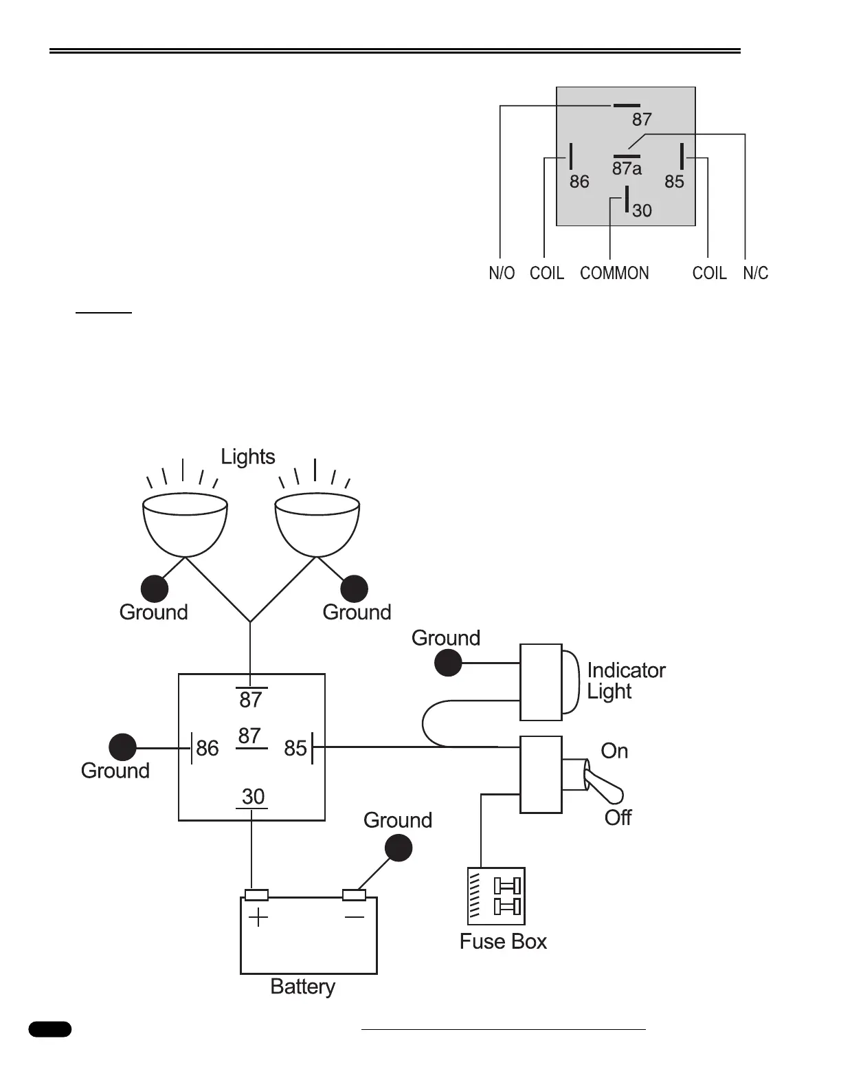
A Single Pole Single Throw relay (SPST) is an
electro-magnetic switch consisting of a coil (terminals
85 & 86), one common terminal (30), one normally
closed terminal (87a), and one normally open terminal
(87).
When the coil of the relay is at rest (not energized)
the common terminal (30) and the normally closed termi-
nal (87a) have continuity. When the coil is energized, the
common terminal (30) and the normally open terminal
(87) have continuity.
NOTE:
When there is power applied to the coil, the
coil sets up a magnetic field in the windings.
When the power is removed, the field col-
lapses. A momentary high voltage discharge
will occur. This is how an ignition coil works.
080405
Singe Pole, Single Throw Relay 12 Volt DC.
080405d
EXAMPLE:

Table of Contents

Related product manuals