EasyManua.ls Logo

NAiS FP2 - Page 89

NAiS FP2
144 pages
Print Icon
To Next Page IconTo Next Page
To Next Page IconTo Next Page
To Previous Page IconTo Previous Page
To Previous Page IconTo Previous Page
Loading...
6-25
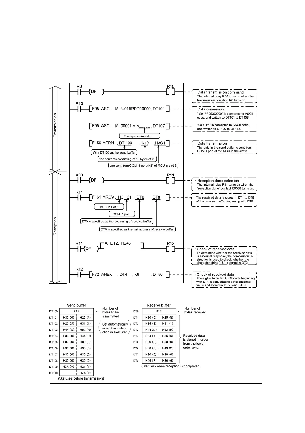
Sample program
In the following example, the FP series PLC is connected to COM port 1 in the slot 3.
(The contact of MCU is WX3/XY4.)
Buffer statuses
The tables below show the statuses of the send and receive buffers when the sample program is run.

Table of Contents

Related product manuals