EasyManua.ls Logo

Nokia N72 - Related Information; Battery Interface

Nokia N72
302 pages
Print Icon
To Next Page IconTo Next Page
To Next Page IconTo Next Page
To Previous Page IconTo Previous Page
To Previous Page IconTo Previous Page
Loading...
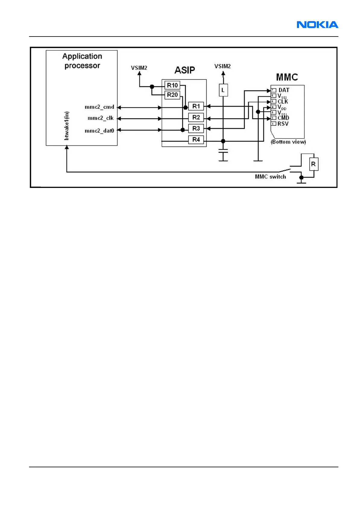
Figure 92 MMC interface
The basic multimedia card concept is based on the following communication signals: CLK, CMD and DAT.
With each cycle of the CLK signal, one bit transfer on the DAT and CMD line is performed. The maximum CLK
frequency is 20 MHz.
CMD is a bi-directional command channel used for card initialization and data transfer commands. The CMD
signal has two operational modes: open-drain and push-pull mode. The open-drain mode is used for card
initialization and the push-pull mode for fast command transfer. CMD commands are sent by the host and
CMD responses are sent by the card.
DAT is a bi-directional data channel, which operates in the push-pull mode.
The detection of the RS MMC card removal/insertion is done via the RS MMC cover switch. The RS MMC cover
switch gives an interrupt to the SW when the cover is opened or closed. After opening the RS MMC cover lid
(RS MMC SW signal is connected to GND via cover switch), SW powers down the card and switches off the RS
MMC power supply (VSIM2). When the RS MMC cover lid is closed (RS MMC SW signal is internally connected in
the application processor to 1.8 V), the inserted card is identified.
Note: Removing the RS MMC while writing to it, may corrupt the data stored in the card.
Related information
RS MMC interface connections (page 9–36)
Battery interface
The battery interface supports a 3-pole battery interface. The interface consists of three connectors: VBAT,
BSI and GND.
The BSI line is used to recognize the battery capacity by a battery internal pull down resistor.
RM-180
System Module Nokia Customer Care
Issue 1 COMPANY CONFIDENTIAL Page 9 –17
Copyright © 2006 Nokia. All rights reserved.

Table of Contents

Other manuals for Nokia N72

Related product manuals