EasyManua.ls Logo

Nokia N72 - System Connector

Nokia N72
302 pages
Print Icon
To Next Page IconTo Next Page
To Next Page IconTo Next Page
To Previous Page IconTo Previous Page
To Previous Page IconTo Previous Page
Loading...
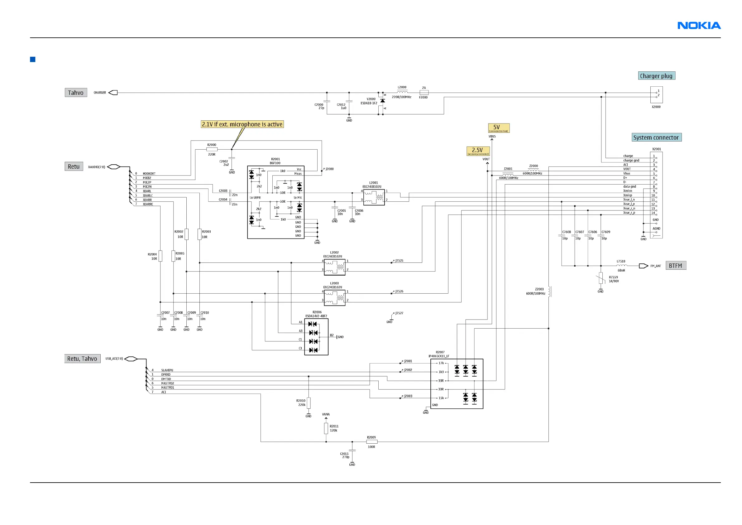
System connector
RM-180
Schematics Nokia Customer Care
Issue 1 COMPANY CONFIDENTIAL Page 10 –4
Copyright © 2006 Nokia. All rights reserved.

Table of Contents

Other manuals for Nokia N72

Related product manuals