EasyManua.ls Logo

Nokia N72 - Internal Earpiece; Internal Speaker

Nokia N72
302 pages
Print Icon
To Next Page IconTo Next Page
To Next Page IconTo Next Page
To Previous Page IconTo Previous Page
To Previous Page IconTo Previous Page
Loading...
The accessory audio mode is automatically enabled/disabled during connection/disconnection of dedicated
phone accessories.
External microphone circuitry is biased by N2200 MicB2 bias voltage output. The circuitry provides a
symmetrical connection for the microphone from the system connector connections, XMICN and XMICP, to
N2200 inputs, Mic2P and Mic2N.
Figure 103 External microphone circuitry (Pop-Port™ connects to the right side)
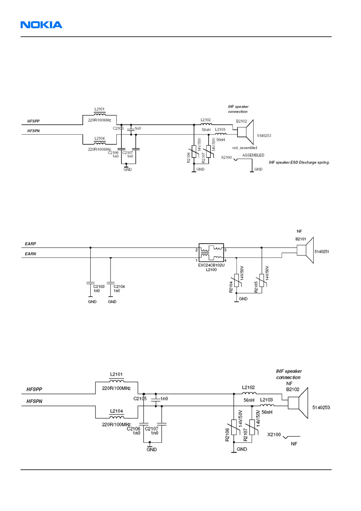
Internal earpiece
The internal earpiece is used in the HandPortable (HP) call mode. A dynamic 8 mm earpiece capsule is
connected to N2200 differential outputs EarP and EarN.
Figure 104 Internal earpiece circuitry
Internal speaker
The internal speaker is used in Internal HandsFree (IHF) call mode.
A dynamic 16 mm speaker is connected to N2200 outputs HFSpP and HFSpN.
The IHF amplifier integrated in N2200 is a Digital Pulse Modulated Amplifier (DPMA).
Figure 105 Internal speaker circuitry
RM-180
Nokia Customer Care System Module
Page 9 –30 COMPANY CONFIDENTIAL Issue 1
Copyright © 2006 Nokia. All rights reserved.

Table of Contents

Other manuals for Nokia N72

Related product manuals