EasyManua.ls Logo

Nokia N72 - Transmitter; GSM Transmitter Functionality; Introduction to Transmitter Functionality; Frequency Synthesizers

Nokia N72
302 pages
Print Icon
To Next Page IconTo Next Page
To Next Page IconTo Next Page
To Previous Page IconTo Previous Page
To Previous Page IconTo Previous Page
Loading...
Transmitter
Introduction to transmitter functionality
Transmitter functions are implemented in an RF ASIC. The ASIC contains a BB frequency low pass filter, which
is tunable according to the signal bandwidth of the system in use.
In addition, the ASIC contains separate RF paths comprising a final frequency IQ modulator and VGA amplifiers.
GSM transmitter functionality
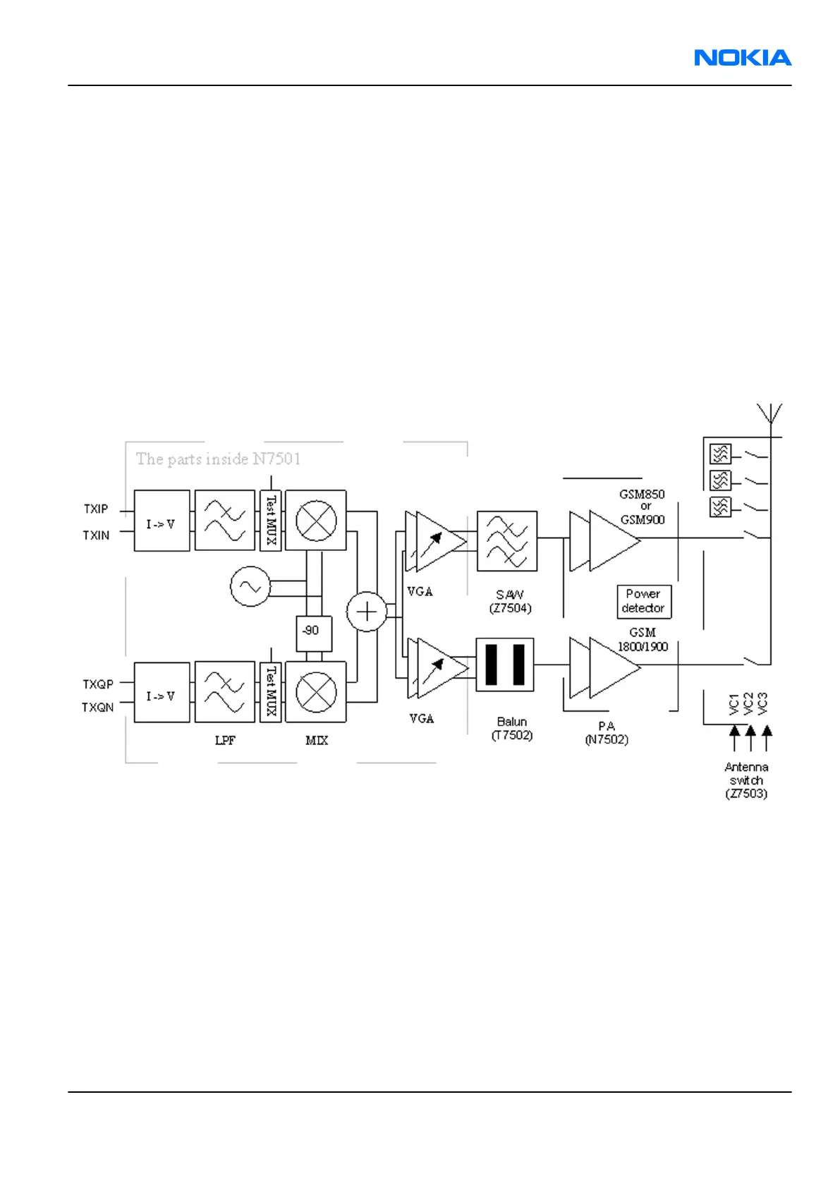
An RF ASIC receives an analogue IQ modulated signal from digital BB, which is first low pass filtered with
filter corner frequency set to approximately 200 kHz. After the filter, the signal is routed to the GSM modulator.
After the VGA stage the signal exits the RF ASIC. In case of GSM1800/1900 the signal goes directly to the GSM
PA module. In case of EGSM900 (and GSM850), the PA module is preceded by a SAW filter. After the filter, the
signal is fed to the GSM PA module. Finally, the signal is routed via the antenna switch to the antenna.
Figure 112 GSM transmitter
GSM power control
A closed control loop comprise an integrated power detector (in PA module) and an error amplifier. The error
amplifier resides in N7501, and it controls the transmitter power of GSM.
GSM PA module
A single GSM/EDGE PA module contains two separate amplifier chains, one for EGSM900 (and GSM850) and
another for GSM1800/1900. Both amplifiers have a battery supply connection and two bias current inputs.
Frequency synthesizers
RF has separate synthesizers for Rx and Tx. Both synthesizers consist of:
PLL (Phase-Locked Loop)
RM-180
System Module Nokia Customer Care
Issue 1 COMPANY CONFIDENTIAL Page 9 –45
Copyright © 2006 Nokia. All rights reserved.

Table of Contents

Other manuals for Nokia N72

Related product manuals