EasyManua.ls Logo

Nokia N72 - Asics; Em Asic N2200; Rap Asic

Nokia N72
302 pages
Print Icon
To Next Page IconTo Next Page
To Next Page IconTo Next Page
To Previous Page IconTo Previous Page
To Previous Page IconTo Previous Page
Loading...
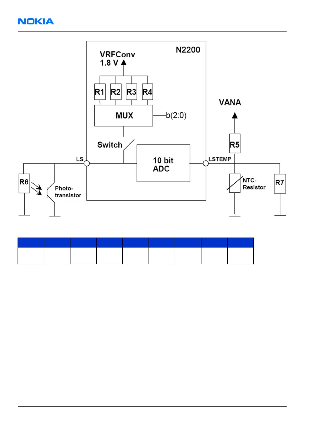
Figure 100 ALS HW implementation
Table 19 ALS resistor values
Symbol R1 R2 R3 R4 R5 R6 R7 NTC-res
Value 5 kOhm
15
kOhm
30
kOhm
50
kOhm
470
kOhm
100
kohm
470
kohm
47
kOhm
ASICs
RAP ASIC
RAP ASIC is a 2G Radio Application Processor.
In general RAP consists of three separate parts:
Processor subsystem (PSS) that includes the main processor and related functions
MCU peripherals that are mainly controlled by MCU
DSP peripherals that are mainly controlled by DSP
RAP core voltage (1.4 V) is generated from the EM ASIC (N2300) VCORE and I/O voltage (1.8 V) is from the EM
ASIC (N2200) VIO. The core voltage in sleep mode is 1.05 V.
EM ASIC N2200
EM ASIC N2200 includes the following functional blocks:
Start up logic and reset control
Charger detection
RM-180
Nokia Customer Care System Module
Page 9 –26 COMPANY CONFIDENTIAL Issue 1
Copyright © 2006 Nokia. All rights reserved.

Table of Contents

Other manuals for Nokia N72

Related product manuals