EasyManua.ls Logo

Norcold 2118 - Wiring Diagram

Norcold 2118
102 pages
Print Icon
To Next Page IconTo Next Page
To Next Page IconTo Next Page
To Previous Page IconTo Previous Page
To Previous Page IconTo Previous Page
Loading...
SERVICE MANUAL
29
www.norcold.com
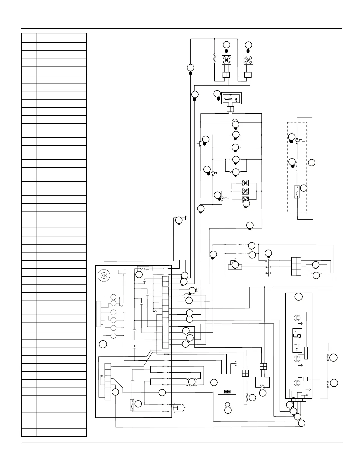
Wiring Diagram
Fig. 17 - Wiring Diagram
Description
PB Power Board
DB Display Board
CW Cold Weather Kit
A AC Heaters
B Light
C Thermistor
D Gas Valve
E Divider Heater
F Perimeter Heater
G Fresh Food Blower
H Temperature Monitor
Control
I External Fans
J * Ice Maker Water Line
Heater
K * Water Valve Heater
L * Dispenser Water Line
Heater
M * Dispenser Water Valve
Heater
N * Water Valve
O * Dispenser Light P.C.B.
P * Dispenser Switch
Q Temperature Switch
R * Temperature Switch
S Divider Heater Housing
T Door Contacts
U Flapper Heater
V Flapper Housing
W Door Switch
X Igniter
Y Freezer Blower
Z Thermocouple
1 Fused Continuous 12
VDC
2 Switched 12 VDC
3 Communications
4 Display Ground
5 Auxiliary Ground
6 Auxiliary +12 VDC
7 Divider +12 VDC
8 Gas Valve +12 VDC
9 Internal Fans Ground
10 Internal Fans +12 VDC
11 Cooling Unit Heater
12 Temperature Switch
F1 5 Amp DC fuse
F2 8 Amp AC fuse
F3 3 Amp DC fuse
* Optional
TEMP
ON-OFF
MODE
MICRO
Vreg
1
2
3
4
5
P1
8
12VDC
GND
LIMIT_OUT
LIMIT_IN
AC_HT_HI_2
AC_HT_HI
AC_HT_LO
AC_HT_LO_2
L1
L2
4
1
2
35
6
125
3
4
67
8
9
10
1
2
K2
K5
K3
K1
K4
-
+
P3
-
-
-
+
+
+
+
+
P2
P1
+
U1
K2
K5
K4
K3
K1
GN/VE
WH/BC
BK/NR
WH/BC
RD/RG
RD-BU/RG-BL
YL/JN
OR/OR
RD/RG
RD-BU/RG-BL
BK-YL/NR-JN
OR/OR
P3
VT/VT
YL/JN
3
1
2
1
2
3
A
D
E
F
G
H
I
J
K
L
M
N
O
P
Q
R
S
T
U
V
W
W
X
6
5
4
3
2
1
7
6
5
4
3
2
1
7
8
PB
B
1
2
1
2
+
-
RD-YL/RG-JN
WH/BC
BK/NR
BU/BL
RD-BU/RG-BL
RD-YL/RG-JN
BK/NR
BU/BL
WH/BC
YL/JN
RD/RG
RD/RG
BK/NR
BK/NR
WH/BC
BK/NR
WH/BC
BR/BR
BR/BR
2
1
K6
P4
K6
1
2
1
2
1
2
1
2
+
-
+
-
Y
9
9
10
10
RD/RG
BK/NR
BK/NR
RD/RG
RD/RG
T1
DB
1
2
1
2
BR/BR BR/BRBK/NR
BK/NR
+12V IN
+12V OUT
GND
+
-
YL/JN
RD/RG
Z
BU/BL
GN/VE
RD/RG
BU/BL
+
C
1
1
22
BK/NR
BK/NR
BK/NR
BK/NR
11
12
BK-YL/NR-JN
RD-BU/RG-BL
-
RD/RG
BK/NR
NOR000186A
PB
A
B
C
D
E
F
G
H
I
J*
K*
L*
M*
N*
O*
P*
Q
R*
DB
S
T
U
V
X
Y
Z
1
2
3
4
5
6
7
8
9
10
11
12
F1
F2
F3
1
2
3
4
5
6
7
9
10
12VDC GROUND
cw
+12VDC
120VAC
12VDC GROUND
+12VDC
W
W

Table of Contents

Other manuals for Norcold 2118

Related product manuals