EasyManua.ls Logo

Notifier AFP-400 - Page 86

Notifier AFP-400
207 pages
Print Icon
To Next Page IconTo Next Page
To Next Page IconTo Next Page
To Previous Page IconTo Previous Page
To Previous Page IconTo Previous Page
Loading...
,QVWDOODWLRQ
Wiring a Signaling Line Circuit (SLC)
2-50 AFP-300/AFP-400 Installation PN 50253:C1 05/22/97
:LULQJ DQ 1)3$ 6W\OH %
,'& ZLWK 00;V
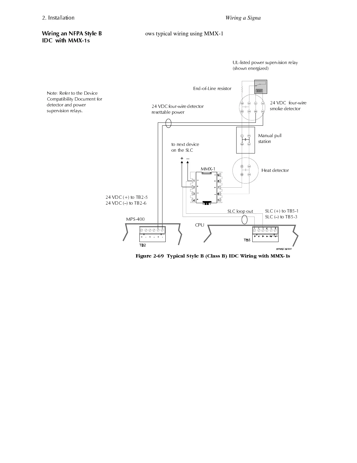
Figure 2-69 shows typical wiring using MMX-1 modules to wire a Style B IDC.
Maximum IDC resistance is 20 ohms. Refer to the Device Compatibility Document
15378 for detector and power supervision relays.
)LJXUH  7\SLFDO 6W\OH % &ODVV % ,'& :LULQJ ZLWK 00;V
00;
8/OLVWHG SRZHU VXSHUYLVLRQ UHOD\
VKRZQ HQHUJL]HG
(QGRI/LQH UHVLVWRU
036
&38
WR QH[W GHYLFH
RQ WKH 6/&
9'& IRXUZLUH GHWHFWRU
UHVHWWDEOH SRZHU
0DQXDO SXOO
VWDWLRQ
+HDW GHWHFWRU
6/& ORRS RXW
9'& IRXUZLUH
VPRNH GHWHFWRU
9'&  WR 7%
 9'& ² WR 7%
6/&  WR 7%
6/& ² WR 7%
1RWH 5HIHU WR WKH 'HYLFH
&RPSDWLELOLW\ 'RFXPHQW IRU
GHWHFWRU DQG SRZHU
VXSHUYLVLRQ UHOD\V
www.PDF-Zoo.com

Table of Contents

Other manuals for Notifier AFP-400

Related product manuals