EasyManua.ls Logo

Omnicomm Profi - Page 18

Omnicomm Profi
81 pages
Print Icon
To Next Page IconTo Next Page
To Next Page IconTo Next Page
To Previous Page IconTo Previous Page
To Previous Page IconTo Previous Page
Loading...
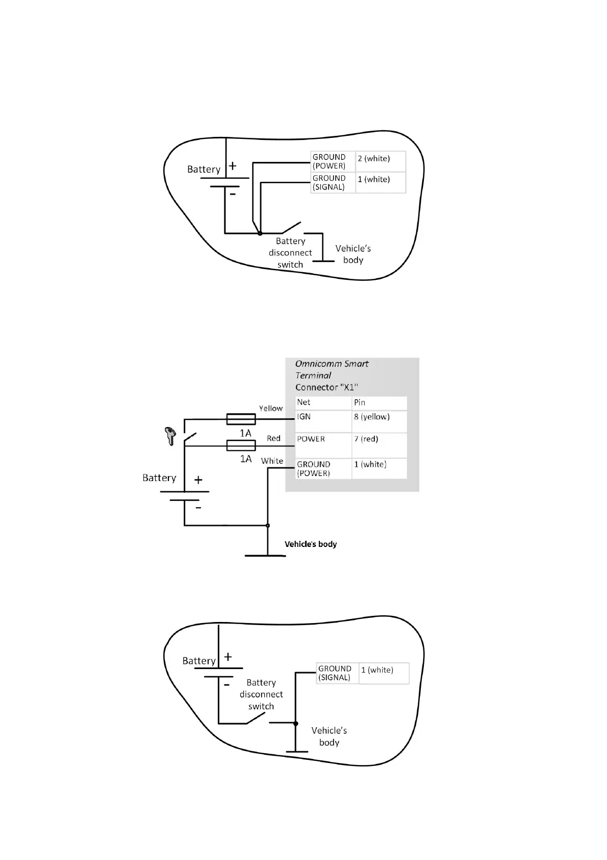
before ground disconnect switch:
Connect Omnicomm Smart terminals as per diagrams without ground disconnect
switch:
after ground disconnect switch:
18
Installation

Related product manuals