EasyManua.ls Logo

Omron SYSMAC C200HS - Page 185

Omron SYSMAC C200HS
230 pages
Print Icon
To Next Page IconTo Next Page
To Next Page IconTo Next Page
To Previous Page IconTo Previous Page
To Previous Page IconTo Previous Page
Loading...
Appendix BSpecifications
171
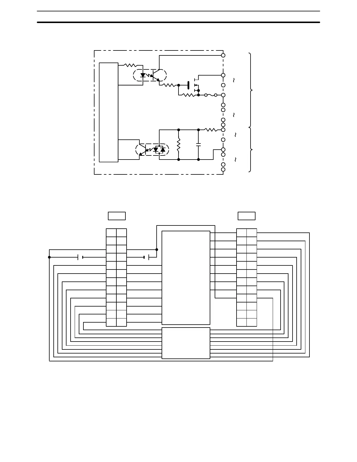
Circuit Configuration
STB00
STB07
COM0
STB08
STB15
COM1
COM2
DATA08
DATA15
COM3
DATA00
DATA07
CN1
CN2
Internal
Circuit
Fuse
24 VDC
12 VDC
Terminal Connections
12 VDC
STB8
STB9
STB10
STB11
STB12
STB13
STB14
STB15
DATA8
A
1
2
3
4
5
6
7
8
9
DATA0
DATA1
DATA2
DATA3
DATA4
DATA5
DATA6
DATA7
COM2
NC
10
NC
11
NC
NC
NC
12
B
1
2
3
4
5
6
7
8
9
10
11
12
NC
CN2
A
1
2
3
4
5
6
7
8
9
COM1
+V0
10
NC
11
+V1
NC
STB0
STB1
STB2
STB3
STB4
STB5
STB6
STB7
COM0
NC
12
B
1
2
3
4
5
6
7
8
9
10
11
12
NC
CN1
DATA9
DATA10
DATA11
DATA12
DATA13
DATA14
DATA15
COM3
+ +
12 VDC
Keyboard,
thumbwheel
switch, etc.
Keyboard,
thumbwheel
switch, etc.
Note 1. Refer to the Unit’s Operation Manual for details on I/O bit allocation.
2. The Unit will have 128 dynamic output points when pin 1 of it’s DIP switch is ON.
3. Each output terminal has an output resistance of 4.7 kW.
4. At high temperatures, the number of inputs that can be turned ON simultaneously is limited. Refer to the
graph on page 172 for details.
5. The user is not authorized to change the fuse.

Table of Contents

Other manuals for Omron SYSMAC C200HS

Related product manuals