EasyManua.ls Logo

Panasonic AFPX-C30T - Page 163

Panasonic AFPX-C30T
544 pages
To Next Page IconTo Next Page
To Next Page IconTo Next Page
To Previous Page IconTo Previous Page
To Previous Page IconTo Previous Page
Loading...
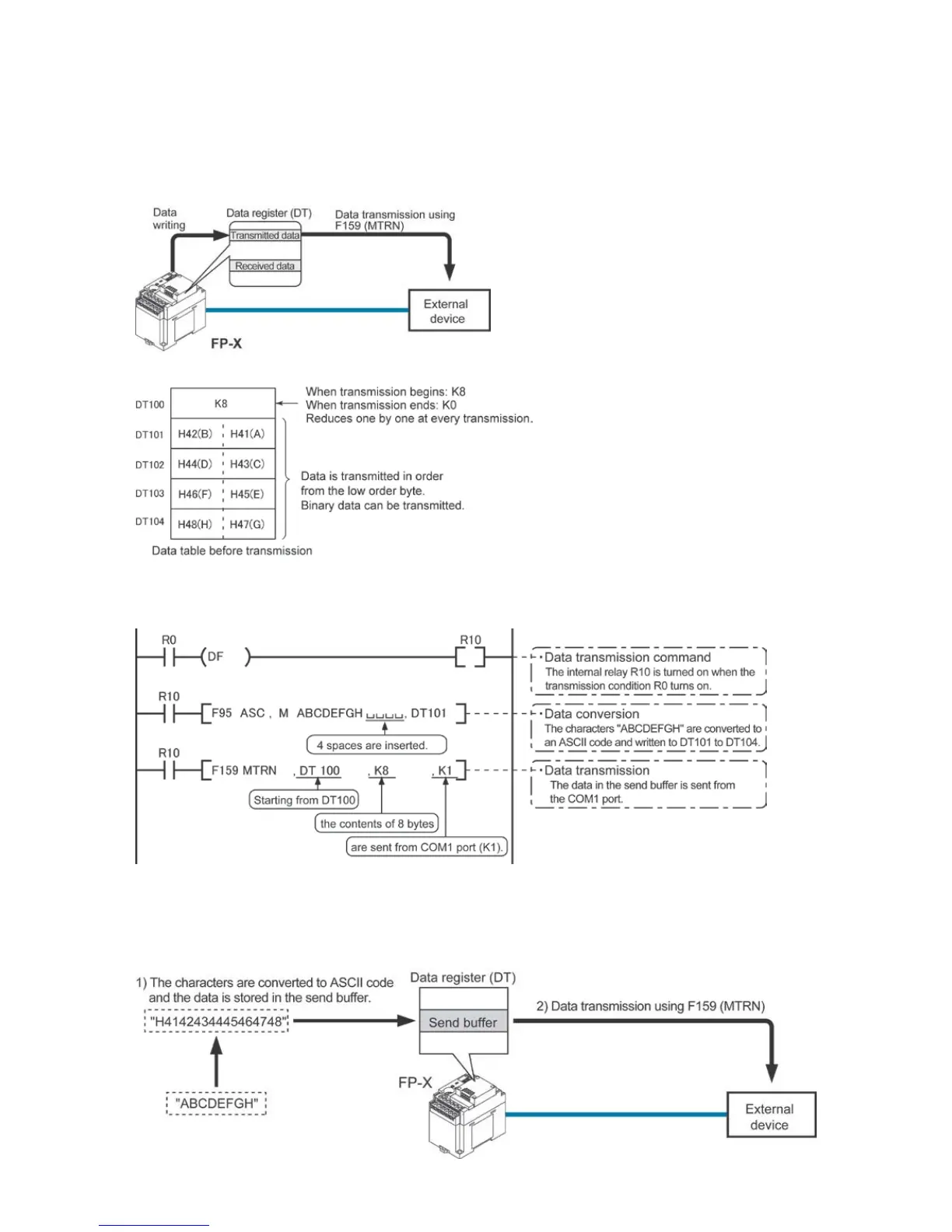
Sending data to external devices
Communication with external devices is handled through the data registers.
Data to be output is stored in the data register used as the send buffer (DT), and when the F159 (MTRN)
instruction is executed, the data is output from the COM port.
Data table for transmission (send buffer)
Sample program for sending data
The following program transmits the characters ABCDEFGH (Hex) to an external device using COM1
port.
The program described above is executed in the following sequence.
1) ABCDEFGHis converted to an ASCII code and stored in a data register.
2) The data is sent from COM1 port using the F159 (MTRN) instruction.
Explanatory diagram
Phone: 800.894.0412 - Fax: 888.723.4773 - Web: www.clrwtr.com - Email: info@clrwtr.com

Table of Contents

Related product manuals