EasyManua.ls Logo

Panasonic AFPX-C30T - Page 176

Panasonic AFPX-C30T
544 pages
To Next Page IconTo Next Page
To Next Page IconTo Next Page
To Previous Page IconTo Previous Page
To Previous Page IconTo Previous Page
Loading...
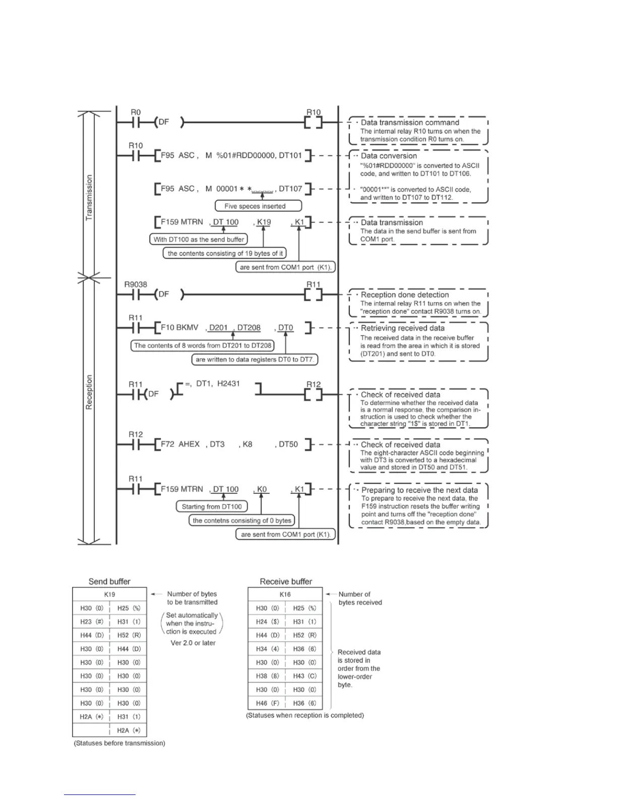
Sample program
In the following example, the FP series PLC is connected to COM1 port.
Buffer statuses
The tables below show the statuses of the send and receive buffers when the sample program is run.
Phone: 800.894.0412 - Fax: 888.723.4773 - Web: www.clrwtr.com - Email: info@clrwtr.com

Table of Contents

Related product manuals