EasyManua.ls Logo

Panasonic AFPX-C30T - Page 354

Panasonic AFPX-C30T
544 pages
To Next Page IconTo Next Page
To Next Page IconTo Next Page
To Previous Page IconTo Previous Page
To Previous Page IconTo Previous Page
Loading...
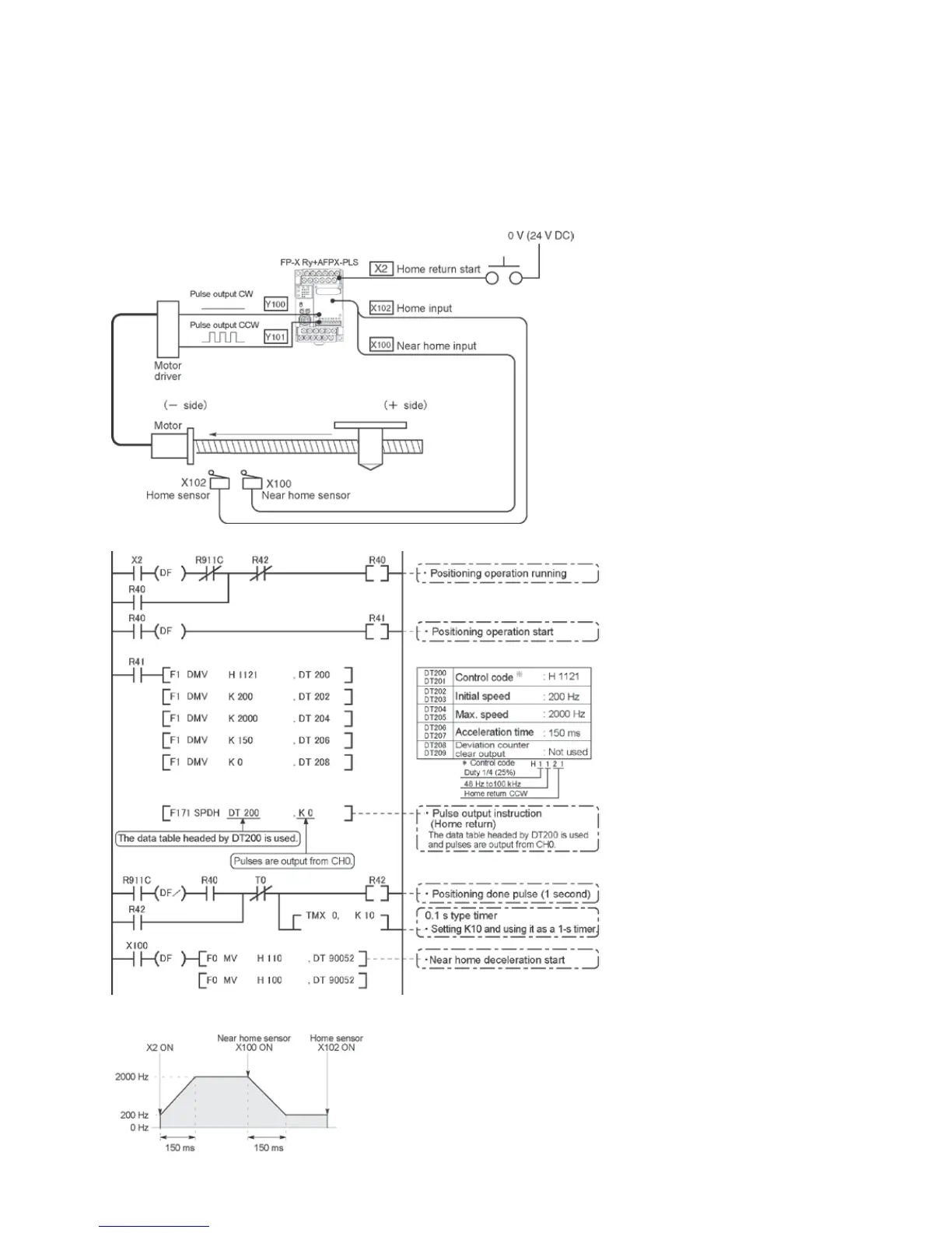
Sample program
Home return operation using CH0: Minus direction
When X2 turns on, a pulse is output from CCW output Y101 of the specified channel CH0 and the return
to home begins. When X100 turns on, deceleration begins, and when X102 turns on, home return is
completed. After the return to home is completed, the elapsed value areas DT90348 and DT90349 are
cleared to 0.
Program
Pulse output diagram
Phone: 800.894.0412 - Fax: 888.723.4773 - Web: www.clrwtr.com - Email: info@clrwtr.com

Table of Contents

Related product manuals