EasyManua.ls Logo

Panasonic AFPX-C30T - Page 364

Panasonic AFPX-C30T
544 pages
Print Icon
To Next Page IconTo Next Page
To Next Page IconTo Next Page
To Previous Page IconTo Previous Page
To Previous Page IconTo Previous Page
Loading...
Sample program of interpolation control
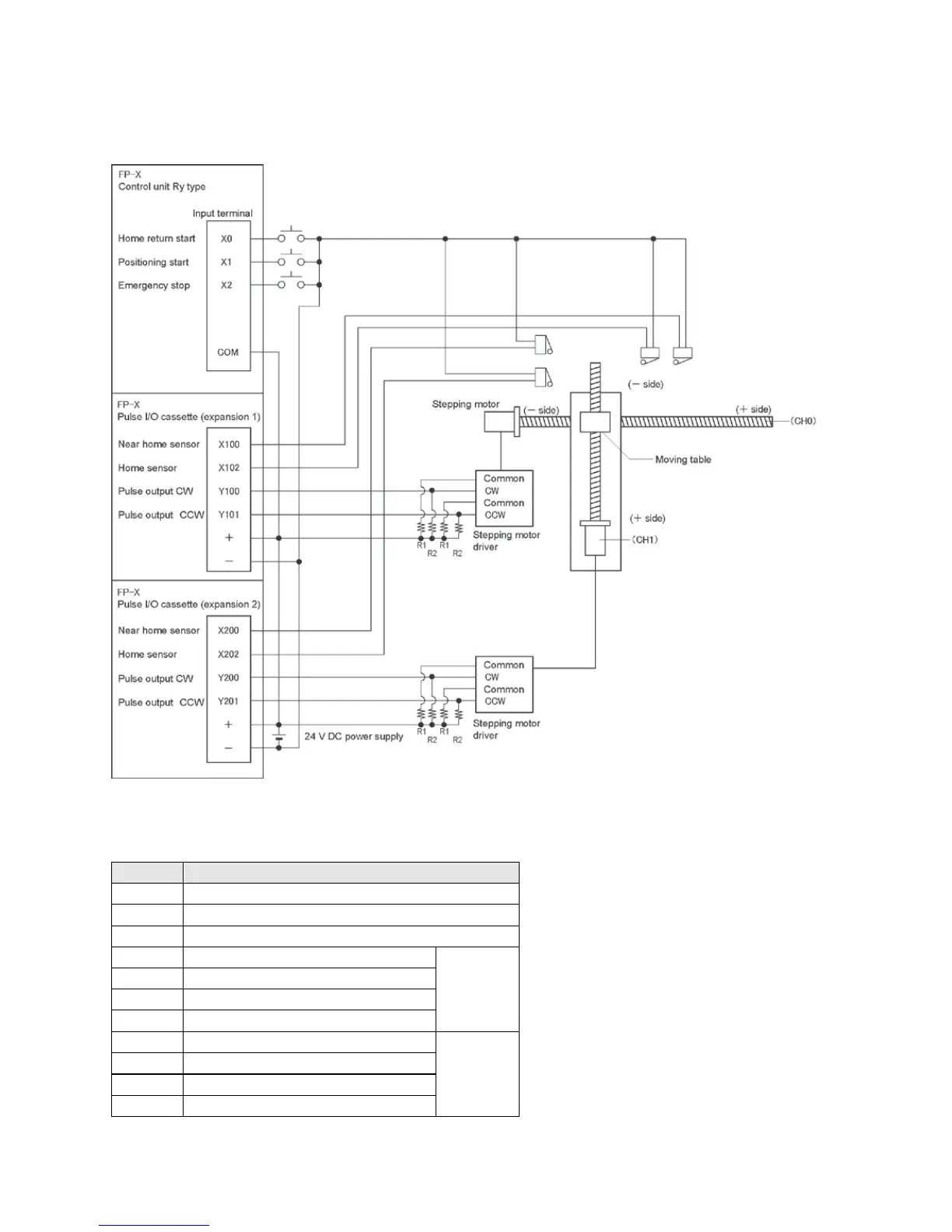
Wiring example
Note) When the stepping motor input is a 5 V optical coupler type, connect a 2 k (1/2 W) resistor with
the R1 and a 2 k (1/2 W) to 470 (2 W) resistor with the R2.
Table of I/O allocation
I/O No.
Description
X0
Home return start signal
X1
Positioning start
X2
Emergency stop
X100
Near home sensor
CH0
X102
Home sensor
Y100
Pulse output CW
Y101
Pulse output CCW
X200
Near home sensor
CH1
X202
Home sensor
Y200
Pulse output CW
Y201
Pulse output CCW
Phone: 800.894.0412 - Fax: 888.723.4773 - Web: www.clrwtr.com - Email: info@clrwtr.com

Table of Contents

Related product manuals