EasyManua.ls Logo

Panasonic SA-PT750PC - Page 27

Panasonic SA-PT750PC
155 pages
Print Icon
To Next Page IconTo Next Page
To Next Page IconTo Next Page
To Previous Page IconTo Previous Page
To Previous Page IconTo Previous Page
Loading...
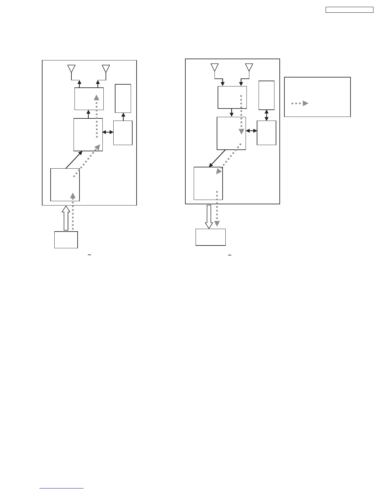
8.2.2. Block Diagram
·
There are two types of transmitter cards, Type A and Type B, and two types of receiver modules, Type 1 and Type 2 for the
wireless configuration. The block diagrams below describe the differences of each of the types.
8.2.2.1. TX-TYPE A / RX-TYPE 1
ADC
BB
RF
MCU
EEPROM
CH2
IN
DAC
BB
RF
EEPROM
CH2
OUT
Note:
- One way only
- FX65/FX66 signal flow
- FX65/FX66 only
TX Type A
RX Type 1
MCU
·
Type A transmitter uses one ADC (Analog to Digital Converter) and transmits audio through Channel 2. Type 1 receiver (Rx)
uses one DAC and output audio through Channel 2. The firmware (that is downloaded to EEPROM IC) multiplexes which
channel to listen to (in this case Channel 2 since type A is transmitting from channel 2 In) by setting the baseband accordingly.
27
SA-PT750P / SA-PT750PC

Table of Contents

Related product manuals