EasyManua.ls Logo

Panasonic SA-PT750PC - Page 28

Panasonic SA-PT750PC
155 pages
Print Icon
To Next Page IconTo Next Page
To Next Page IconTo Next Page
To Previous Page IconTo Previous Page
To Previous Page IconTo Previous Page
Loading...
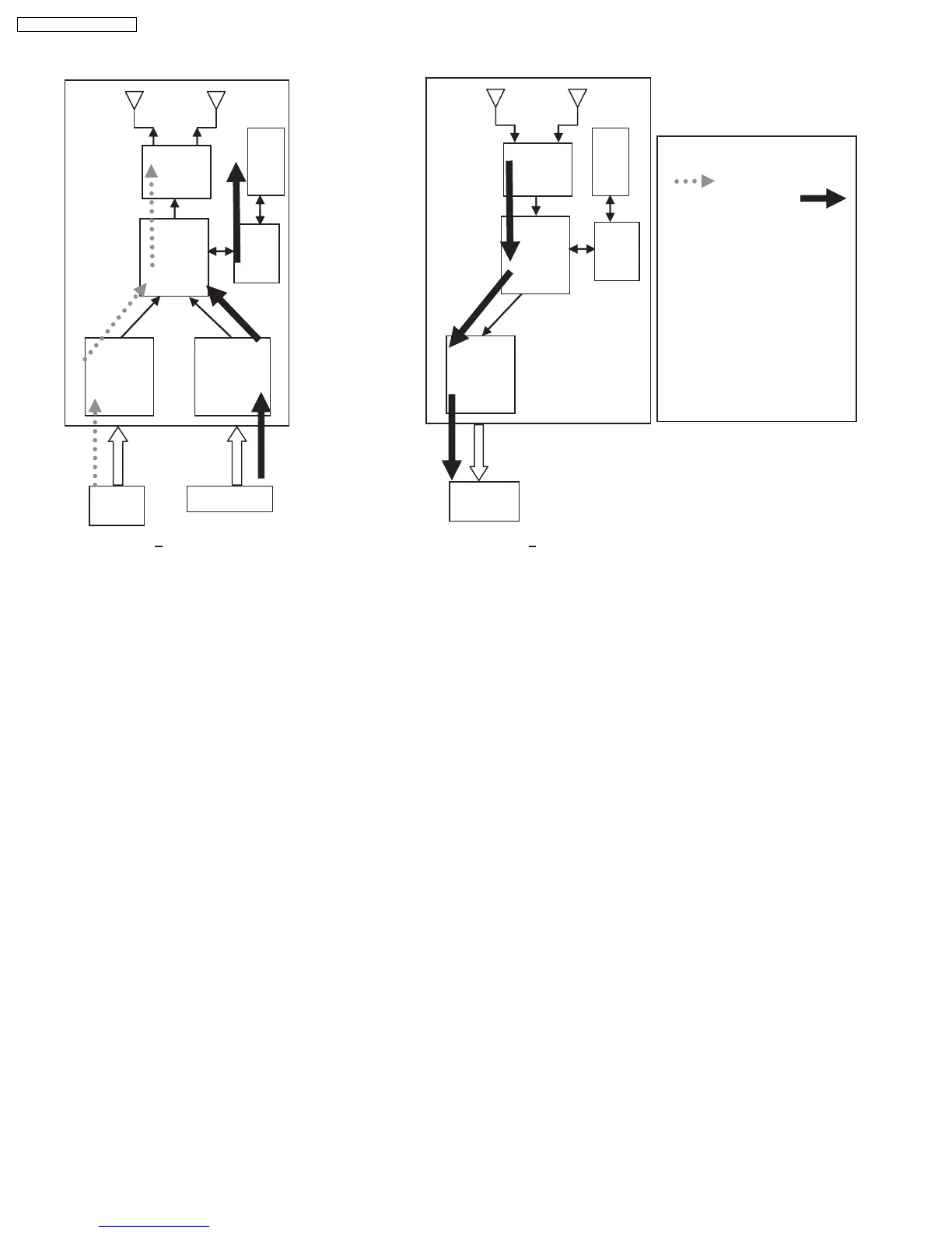
8.2.2.2. TX-TYPE B / RX-TYPE 2
ADC
BB
RF
MCU
EEPROM
ADC
DAC
BB
RF
EEPROM
MCU
CH2
IN
CH1 IN
CH2
OUT
Note:
- FX65/FX66 SIGNAL FLOW
-
FX85 S
S
IGNAL F
F
LOW
- ONE WAY AND
SIMULTANEOUS
- FX65/FX66 + FX85
-
FX65/FX66 TRANSMITTER NOT
USED, NEED TO IDSET
FX65/FX66
-
TX TYPE B BUT RX
CHANGED FROM TYPE 2
TO TYPE 1, CH1 SIGNAL
REDIRECTED TO DAC
TX Type B
RX Type 2
·
Type B transmitter uses two ADC (Analog to Digital Converter) to send audio streams from Channel 1 and Channel 2 for the
FX65/FX66 surround sound and FX85 second room audio, respectively. Type 2 receiver outputs audio through Channel 2. The
software multiplexes which channel to listen to by setting the baseband accordingly. For example, if the receiver is configured
as an FX85 receiver (Type 2), the baseband is configured to accept Channel 1 audio transmission and redirect it to Channel
2 Out. If the receiver is set as an FX65/FX66 or wireless subwoofer, the baseband is configured to accept channel 2 audio
transmission and redirect it to the same Channel 2 Out.
8.2.3. Activation
·
FX65/FX66 can be activated in the main unit by using either transmitter Type A or Type B and enabling surround sound by
selecting Surround Music, DPL or Super Surround (Music/Movie).
·
FX85 Wireless feature is enabled by default when the user uses transmitter type B.
8.2.4. LED Indication
·
For FX65/FX66, there will be two-color LED that will be used to indicate Power On and Link. If link, the two-color LED will be
green, else, it will be red.
For FX85, the front panel will have LED indicators for Standby,, Wireless Link, Charge, Option and Music Port. During Power
On, Standby LED will be OFF. Only during power OFF will this LED be ON (Red). Wireless Link indicator will be ON (Green)
when link is established between TX and RX and OFF when link is lost. Pressing the selector button will toggle from any of the
selector modes Wireless, Option and Music port. Only the currently selected mode will be ON (Green), the other two will be
OFF. Charge LED will be ON (Red) once iPod charging is initiated.
8.2.5. Key Operation (FX85)
·
Selector Button
This button will be used to select Wireless, Option or M.Port and enabling the corresponding LED indicators for each mode.
During Power On, by default, selector mode is set to Wireless when power is initially supplied to the system. But during Power
On/OFF button, it will remember the last selector mode setting.
·
Play Button
This button will send command to the main unit to play CD/DVD as well as the iPod. This function is therefore meaningful only
28
SA-PT750P / SA-PT750PC

Table of Contents

Related product manuals