EasyManua.ls Logo

Panasonic TH-37PHD8GK - Main Block Diagram (42 Inch)

Panasonic TH-37PHD8GK
235 pages
Print Icon
To Next Page IconTo Next Page
To Next Page IconTo Next Page
To Previous Page IconTo Previous Page
To Previous Page IconTo Previous Page
Loading...
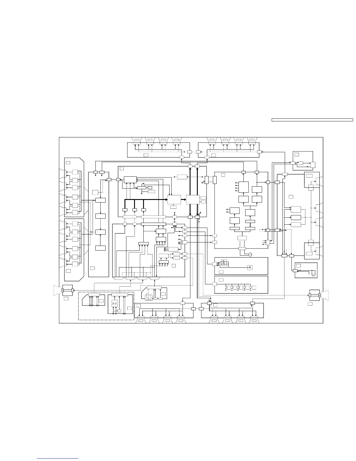
16.3. Main Block Diagram (42inch)
SUSTAIN
PULSE
VOLTAGE
GENERATOR
CONTROL
PULSE
PULSE
SCAN
SC2
SC23
SC20
D20
CONTROL
DISCHARGE
MAIN MPU
ROM
LVDS LVDS
A/D
D34
D33
P25D25
P12
P11 SS11
SS12
SS32 SS34
SUSTAIN
PULSE
ERASE
PULSE
ADDRESS
VOLTAGE
(VE)
S.R.
STBY5V
+5V
D5
D1
J5
J6
J1
VIDEO SW
SYNC
SW
SYNC
SEPARATOR
PROCESS
VOLTAGE
RECTIFIER
CONTROL
SUSTAIN
VOLTAGE
RECTIFIER
SUSTAIN
VOLTAGE
VOLTAGE
PROCESS
CONTROL
RECTIFIER
STANDBY
VOLTAGE
FACTOR
POWER
CONTROL
RECTIFIER RELAY
VOLTAGE
STANDBY
CONTROL
RECTIFIER
VDA
15V
5V
12V
STB5V
STB14V
P23 P2
VSUS
VSUS
C43 C33
C31 C32
AUDIO SW
-
+
+
-
H3
L
R
CONTROL
D
P
SOS
ON/OFF
S34
S1
J
STB_PS_ON
STB_PS
SS
SPEAKER
TERMINAL
PC RS-232C
PC AUDIO IN
Vda,SOS/SUSTAIN DRIVE PULSE
SP
SP
C4
C3
15V
S.R. S.R. S.R. S.R. S.R. S.R.
D3
J3
CONTROL
J11 J12 J13 J14
VD HD
J2
J15
J10
J4
J8
J7
L OUT
R OUT
P10
P5
LINE
FILTER
P9
AC IN
+15V
+12V(s)
+12V
F_STB_14V
V2
LED_G POWER ON
LED_R STAND-BY
RECEIVER
REMOTE
V1
REMOTE RECEIVER/LED_G,R
V2
KEY SW
V15
VOL
DN
F
VTR
TV/ VOL
UP
STR
15V
Vda
POWER SW
STB_PS_ON
STB_PS
AUDIO
PROCESSOR
LR
DR15V
SOUND12V
DIG12V
DC_DC
CONVERTER
5V
9V
3.3V
F_STB_14V
CONTROL
HX
HX1
PLASMA AI PROCESSOR
+12V
OSD
IIC
EEPROM
VSUS 15V
DATA DRIVER
DATA DRIVER
SUSTAIN
SOS
POWER
SUPPLY
SCAN OUT
SU
SOS1
SOS2
SCAN DRIVE
SC
Vda
15V
SD
SCAN OUT
SOS
H3
SPEAKER
TERMINAL
HA
COMPONENT
H1
VIDEO IN AUDIO IN
COMPONENT
S-VIDEO AUDIO IN
H1
HB
VIDEO
IN/OUT
IN
LVD S
GC2M
SW
SLOT I/F,
SYNC PROCESSOR
AUDIO PROCESSOR
SDRAM
SUS
SDRAM
ROM
PROCESSOR
FORMAT
RGB
CONVERTER
PLASMA AI
SUB-FIELD
PROCESSOR
SUS
FORMAT CONVERTER
DIGITAL SIGNAL PROCESSOR
STB3.3V
(1.2V)3.3V
1.5V
DC/DC
CONVERTER
D32
D31
S.R.
C41
S.R.
C1
S.R.
DATA DRIVER
S.R.
DATA DRIVER
C24C22C12
S.R.
C21
S.R. S.R.
C11
S.R.
C2
S.R.
PB33
PB31
PB35
SS2
SS21
SS3
SS20
FAN
SOS
FAN
PB30
SS22
AVR
CONTROL
SS23
PB
FAN SOS
FAN CONT
5V,15V
P30
DRIVE
Vda
SS24
Vda
Vda
64
64
S/P
64
S/P
S/P
64
64
S/P
S/P
64
S/P
64
S/P
64
64
S/P
64
S/P
S/P
S/P
64
S/P
64
TH-42PHD8GK/GS/UK
Main Block Diagram
TH-42PHD8GK/GS/UK
Main Block Diagram
42PHD8UK ONLY
TH-37PHD8GK / TH-37PHD8GS / TH-37PHD8UK / TH-42PHD8GK / TH-42PHD8GS / TH-42PHD8UK
97

Table of Contents

Related product manuals