EasyManua.ls Logo

Panasonic TH-65PF9UK - SS-Board (1 of 2) and S1-Board Schematic Diagram

Panasonic TH-65PF9UK
184 pages
Print Icon
To Next Page IconTo Next Page
To Next Page IconTo Next Page
To Previous Page IconTo Previous Page
To Previous Page IconTo Previous Page
Loading...
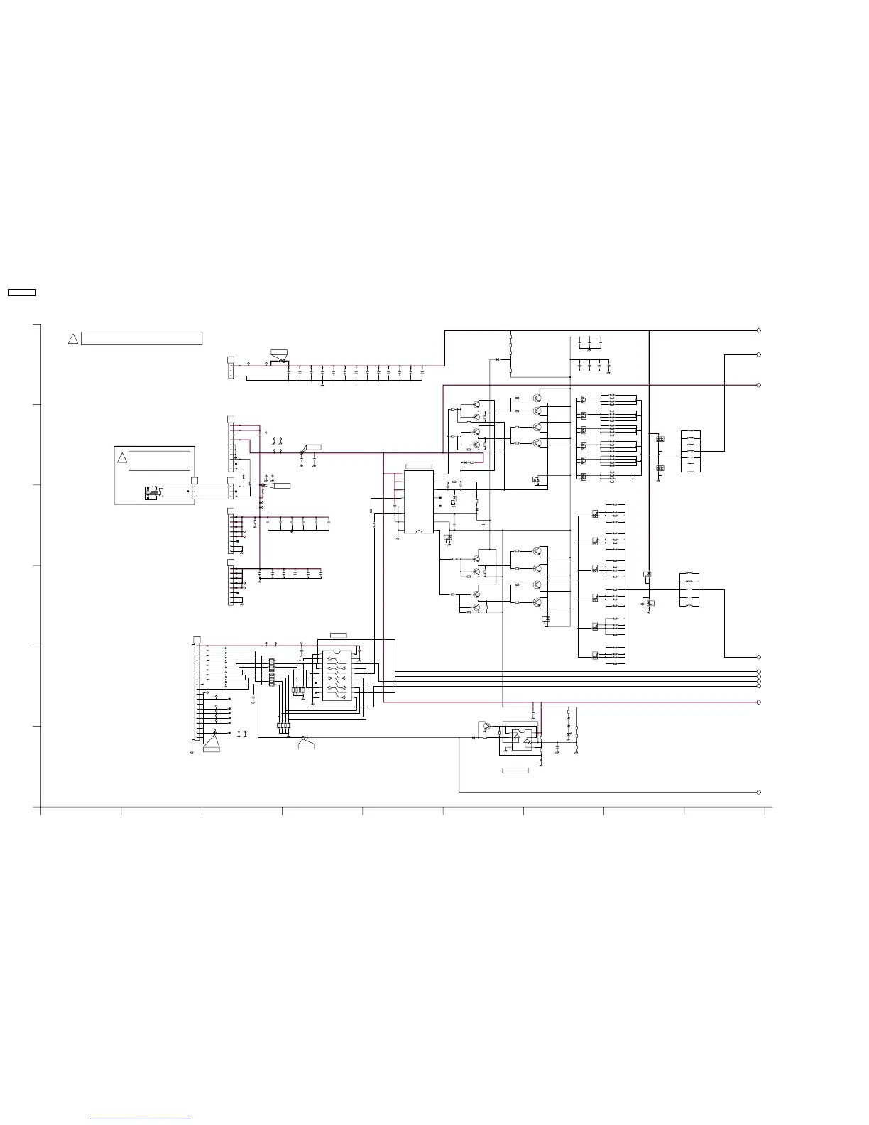
14.68. SS-Board (1 of 2) and S1-Board Schematic Diagram
+
+
+
+
+
+
+
+
+
+
+
+
+
+
+
+
+
+
+
+
+
+
+
+
+
DSLL
DMHL
DSHL
DRV_SOS2
DMLL
DMHR
75V
D6252
MAZ83300ML
R6181
10
1
2
3
4
5
6
7
8
9
10
TP15
C6241
25V
470u
C6262
100V
470u
C6251
16V
1u
L6064
G0ZZ00002183
TP6913
L6074 G0ZZ00002183
R6255
1.2k
L6040 G0ZZ00002183
TP10
D6086
MA3DF30000LZ
L6004
G0CR60KA0118
TP33
TP8
L6075 G0ZZ00002183
L6001
G0CR60KA0118
Q6174
B1ADRD000001
75
R6154
1
2
3
4
5
6
7
8
L6006
G0CR60KA0118
TP2
C6153
25V
4.7u
R6174
10
R6185
10k
L6097
G0ZZ00002183
TP1
C6037
25V
4.7u
C6031
250V
4u
C6263
100V
470u
L6090
G0ZZ00002183
D6254
MAZ80510LL
D6071
B0HBSN000008
D6068
B0HBSN000008
TP6910
L6091
G0ZZ00002183
D6032
MA2J11100L
TP6919
1
3
D6092
B0HBSN000008
C6051
200V
220u
C6269
100V
470u
R6045
7.5
1%
R6033
56k
L6088
G0ZZ00002183
L6077 G0ZZ00002183
R6173
10k
L6399
J0JJC0000011
C6091
630V
1000p
R6159
1
R6253
39k
L6164 G0ZZ00002183
R6055
7.5
R6252
39k
C6014
200V
220u
TP6905
L6081
G0ZZ00002183
1
2
3
4
5
6
7
8
C6020
200V
220u
TP18
L6087
G0ZZ00002183
L6003
G0CR60KA0118
TP23
C6273
25V
220u
Q6051
2PG0010000RP
R6183
10k
D6154
MA3DF30000LZ
C6052
200V
220u
TP16
L6015
G0CR96KA0118
Q6173
B1ABRD000003
L6073 G0ZZ00002183
R6243
EXB38V470JV
L6163 G0ZZ00002183
D6025
MA3DF30000LZ
L6271
G0ZZ00002183
L6241
G0ZZ00002183
L6062 G0ZZ00002183
L6078
G0ZZ00002183
D6082
MA3DF30000LZ
L6083
G0ZZ00002183
L6085
G0ZZ00002183
1
2
3
1%
R6034
27k
Q6251
2SD0601A0L
L6183
G0ZZ00002183
D6251
MAZ83300ML
TP6923
TP34
R6182
10k
L6065
G0ZZ00002183
C6205
250V
4u
C6274
250V
4u
TP21
5V
L6061
G0ZZ00002183
C6270
100V
470u
C6203
250V
4u
TP6918
R6186
10k
L6076
G0ZZ00002183
D6153
B0ECHP000003
Q6041
2PG0010000RP
C6011
200V
220u
Q6183
B1ABRD000003
L6184
G0ZZ00002183
R6257
10k
L6262
G0ZZ00002183
C6018
200V
220u
R6053
7.5
L6182
G0ZZ00002183
TP12
C6017
200V
220u
L6082
G0ZZ00002183
L6068 G0ZZ00002183
C6264
100V
470u
L6063
G0ZZ00002183
C6252
25V
1u
R6258
2.2k
R6051
7.5
R6160
1
L6094
G0ZZ00002183
Q6184
B1ADRD000001
C6019
200V
220u
D6064
B0HBSN000008
C6152
25V
4.7u
IC6251
C0BBBA000022
1
2
3
45
6
7
8
C6206
250V
4u
D6061
B0HBSN000008
Q6043
2PG0010000RP
L6067 G0ZZ00002183
D6085
MA3DF30000LZ
TP6911
R6057
7.5
TP20
R6256
1.5k
C6267
100V
470u
R6175
10k
R6171
10
C0JBAZ000005
IC6241
1G~
1
2
1A1
3
2Y4
4
1A2
5
2Y3
6
1A3
7
2Y2
8
1A4
9
2Y1
10
GND
11
2A1
12
1Y4
13
2A2
14
1Y3
15
2A3
16
1Y2
17
2A4
18
1Y1
19
2G~
20
VCC
1%
R6031
82k
TP6904
C6261
100V
470u
L6071 G0ZZ00002183
R6041
7.5
L6162
G0ZZ00002183
TP7
R6043
7.5
D6091
MA3DF30000LZ
L6185
G0ZZ00002183
TP6921
R6184
10
TP9
L6014
G0CR96KA0118
L6005
G0CR60KA0118
D6253
LNJ301MPUJA
Q6053
2PG0010000RP
C6275
250V
4u
D6083
MA3DF30000LZ
TP6920
TP6922
D6067
B0HBSN000008
C6015
200V
220u
C6202
250V
4u
R6254
6.8k
C6265
100V
470u
L6095
G0ZZ00002183
Q6171
B1ABRD000003
L6072
G0ZZ00002183
L6161 G0ZZ00002183
R6172
10k
Q6052
2PG0010000RP
L6066
G0ZZ00002183
R6244
EXB38V472JV
Q6172
B1ADRD000001
Q6042
2PG0010000RP
1%
R6032
82k
L6070
G0ZZ00002183
C6272
25V
220u
R6151
100
C6016
200V
220u
D6152
MA3DF30000LZ
C6012
200V
220u
TP22
L6092
G0ZZ00002183
TP11
Q6031
B1ADRD000001
L6099
G0ZZ00002183
L6086
G0ZZ00002183
L6017
G0CR96KA0118
C6154
25V
4.7u
L6181
G0ZZ00002183
L6096
G0ZZ00002183
C6243
50V
0.01u
D6072
MA3DF30000LZ
L6013
G0CR96KA0118
Q6044
2PG0010000RP
Q6181
B1ABRD000003
L6079 G0ZZ00002183
R6176
10k
C6207
250V
4u
D6081
MA3DF30000LZ
R6242
EXB38V472JV
L6084
G0ZZ00002183
D6062
B0HBSN000008
1
2
3
4
5
6
7
8
9
10
11
12
13
14
15
16
17
18
19
20
R6152
100
D6063
B0HBSN000008
L6002
G0CR60KA0118
C6242
16V
1u
C6013
200V
220u
TP5
TP17
L6398
J0JJC0000011
Q6054
2PG0010000RP
L6012
G0CR96KA0118
D6024
RF2001T3DFF55
R6047
7.5
TP3
D6084
MA3DF30000LZ
TP6
C6151
25V
1u
C6208
250V
4u
D6151
B0ECHP000003
C0ZBZ0001324
IC6151
1
LO
2
Vcom
3
VCC2
4
NC
5
NC
6
VS
7
VB
8
HO
9
NC
10
NC
11
VCC
12
HIN
13
NC
14
LIN
15
GND
16
NC
R6251
10k
L6089
G0ZZ00002183
D6255
MA2J11100L
TP13
R6261
100k
L6069
G0ZZ00002183
L6008
G0CR60KA0118
TP14
C6201
250V
4u
L6098
G0ZZ00002183
C6266
100V
470u
R6241
EXB38V470JV
L6093
G0ZZ00002183
TP19
C6268
100V
470u
TP15V
TPVDA
-+
-+
(GREEN LED)
TPVSUS
VSUS
GND
BUFFER
GND
VDA
VDA
NC
GND
VDA
VDA
NC
GND
VDA
VDA
VDA
GND
VDA
VDA
VDA
DRV_SOS8
DMHL
DRV_SOS7
UEH
5V
UML
DMLL
UMH
DMHR
DSHL
USH
GND
NC(URL)
TPSOS7
GND
GND
DSLL
GND
USL
UEL
NC(URH)
TPSOS8
USH
USL
A
5
F
12
C
4
D
73 968
E
B
4
6
7
1
5
3
8
2
10
9
TO
P-BOARD
(P11)
(P12)
TO
P-BOARD
(C35)
TO
C3-BOARD
C4-BOARD
TO
(C42)
TO
C4-BOARD
(C44)
USE
NO
STB PS
STB_12V
NC
STB_PS
NC
NC
GND
STB12V
+15V
GND
Vda75V
Vda75V
GND
SS-BOARD TXNSS1EVTJ (1/2)
!
COMPARATOR
44
SS
SS
42
SS
35
34
SS
12
SS
SS
11
FET DRIVER
TH-65PF9UK
SS-Board (1 of 2) and S1-Board Schematic Diagram
TH-65PF9UK SS-Board (1 of 2) and S1-Board Schematic Diagram
PUSH
S34
1
2
3
SW061
K0F162B00002
TXAMW01YPTU
S1-BOARD
!
POWER SWITCH
TH-65PF9UK
146

Table of Contents

Related product manuals