EasyManua.ls Logo

Panasonic TH-65PF9UK - DN-Board (2 of 3) Block Diagram

Panasonic TH-65PF9UK
184 pages
Print Icon
To Next Page IconTo Next Page
To Next Page IconTo Next Page
To Previous Page IconTo Previous Page
To Previous Page IconTo Previous Page
Loading...
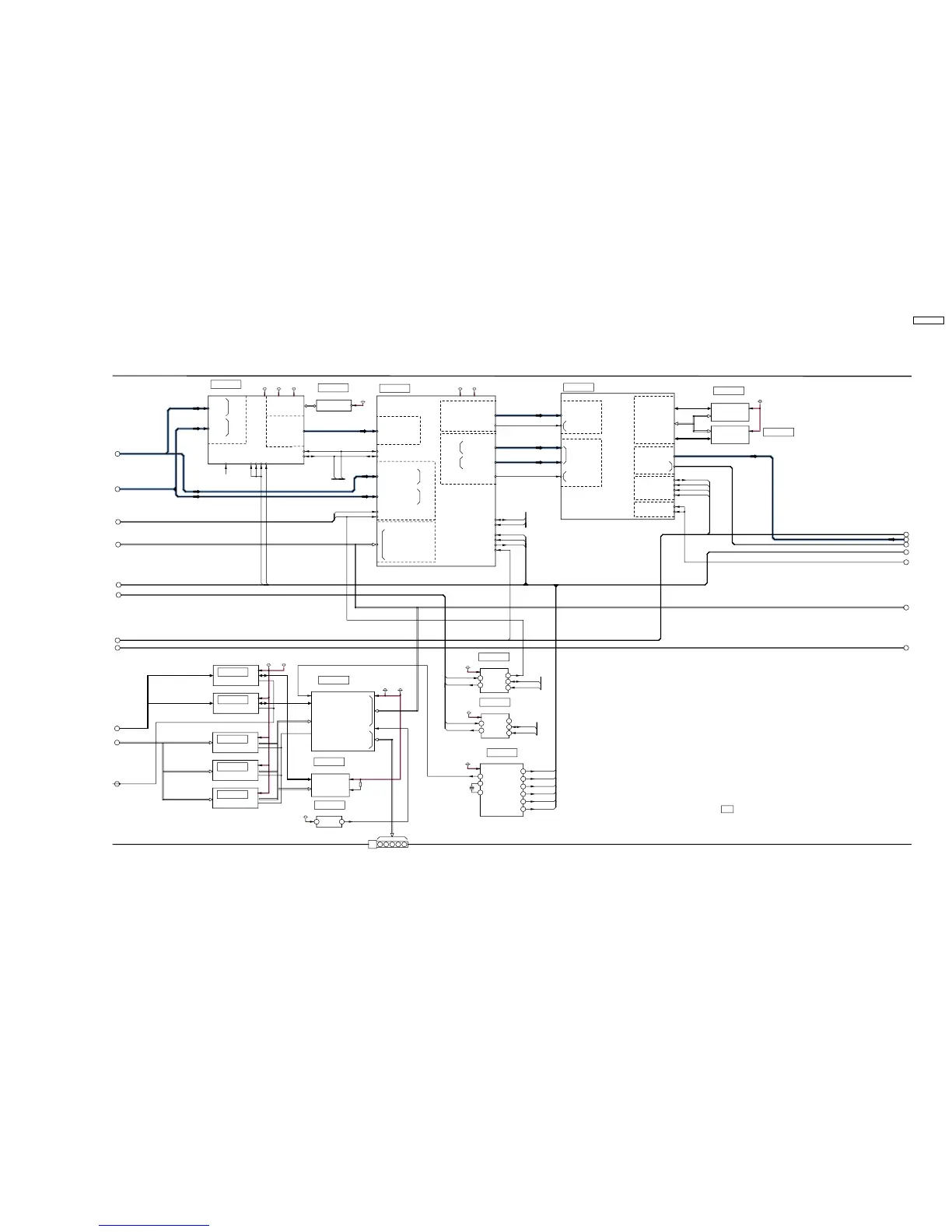
14.19. DN-Board (2 of 3) Block Diagram
P3V_SDA2
P3V_SCL2
P3V_SDA2
P3V_SCL2
P3V_SDA3
P3V_SCL3
P3V_SCL2
P3V_SDA2
+1.5V +2.5V +3.3V
+2.5V
STB+3.3V+3.3V
STB+3.3V+3.3V
+3.3V
+3.3V
+3.3V
+3.3V
+1.5V +3.3V
+3.3V
GO0-9
HDO,VDO,CLKO
BO0-9
RO0-9
BE0-9
GE0-9
RE0-9
HDE,VDE,CLKE-57
RVIA0-9
BUIA0-9
GYIA0-9
DHA,DVA,
DCKA
RVIB0-9
BUIB0-9
GYIB0-9
DHB,DVB,
DCKB
[EVEN]
[ODD]
RV,GY,BU
IC4501
LSI57Plus
RGB OUT
GOUT0-9
BOUT0-9
HP,VP,OCKO
ROUT0-9
DDR-SDRAM I/F
DQ0-DQ31
ADRS0-ADRS11
IC4502
VDD
32M DDR SDRAM
NRST
SCKREF
MCKREF
REFCK
OCKREF
I2CSDA
I2CSCL
57_R0-9
57_B0-9
57_G0-9
57_HD,57_VD,57_CLK
IIC_SDA
IIC_SCL
FPGA2
IC5201
LSI57_RIN0-9
LSI57_BIN0-9
LSI57_GIN0-9
LSI57 INPUT
LSI57-HP,-VP,-CLK
IIC_BUS
NRST
REFCK_39.5MHz
OCK-90MHz
FPGA1 INPUT
FPGA_GINE0-9
FPGA_HDE,VDE,CLKE
FPGA_BINE0-9
FPGA_RINE0-9
FPGA_BINO0-9
FPGA_RINO0-9
FPGA_GINO0-9
FPGA_HDO,VDO,CLKO
FPGA_FLD
CLK2X_E
FLD
CLK2X_E
CONFIGURATION
FPGA_NCONFIG
FPGA_DCLK
FPGA_DCLK
FPGA_DATA0
FPGA_NSTATUS
FPGA_CONFDONE
[EVEN]
[ODD]
BUFFER
IC4906
VCC
DIR
IC4907
VCC
DIR
BUFFER
BUFFER
IC4903
VCC
VCC
IC4905
OE1
OE1
BUFFER
BUFFER
VCC
IC4908
OE1
D0,D5-D7,D12-D15
D1-D4,D8-D11
A8-A15
A0-A2,A16,A19,CE2,OE
A3-A7,A17,A18WE
D1-D15
A0-A18
WE,CE,OE
CONFIG-OE
ADDR0-18
NWE,NCE,NOE
FLASH
DATA0-15
DEV-OE
FLASH
GCLK2
IC4302
CPLD(FPGA ROM)
FPGA_NCONFIG
FPGA_DCLK
FPGA_DCLK
FPGA_DATA0
FPGA_NSTATUS
FPGA_CONFDONE
NRST
TDO
TDI
TMS
TCK
8M FLASH MEMORY
IC4902
RESET
VCCDQ1-DQ15
WE,CE,OE
A0-A18
2
RESET
1
VOUTVDD
IC4904
FPGA-TDI
FACTORY USE
2
GND
3
FPGA-TCK
41
FPGA-TMS
DN
10
FOR
FPGA-TDO
5
(FPGA ROM WRITER)
XIN
1
5
LCLK1
SDAT
7
SCLK
IIC_BUS
6
CLOCK BUFFER
IC5103
8
LCLK2
CBCLK_A
X2CBCLK_A
1
X2CBCLK_B
5
XIN
7
SCLK
6
LCLK2
8
CLOCK BUFFER
IC5103
CBCLK_B
LCLK1
SDAT
IIC_BUS
CPG
IC5701
VDD
8
CLK2
(40MHz)
X5701
XT
1
XTN
20
(4.25MHz)
CLK7
8
7
CLK1
(2088MHz)
(74.25MHz)
9
CLK3
(39.5MHz)
12
CLK6
(72MHz)
13
CLK5
OCK_90MHz
14
CLK4
(90MHz)
OSD_72MHz
REFCK39.5MHz
CLK7425-1
CLKM_20MHz
CLK7425
OSD_CLKO
OSD_CLKI
RESET
IIC_CLK
IIC_SDA
IIC_SCL
IIC_BUS
CLKM_20MHz
NRST-FP
OSD_72MHz
PO_CLK
VCC VCC
I-CHIPS PORT1 OUTPUT
PORT1_GOUT0-9
PORT1_BOUT0-9
PORT1_HS,_VS,_CLK
PORT1_ROUT0-9
PORT1_FLD,_ACT
PORT2_BOUTE0-9
PORT2_ROUTE0-9
PORT2_GOUTE0-9
I-CHIPS PORT2 OUTPUT
PORT2_GOUTO0-9
PORT2_BOUTO0-9
PORT2_ROUTO0-9
[EVEN]
[ODD]
PORT2_FLD,_ACT
PORT2_HS,_VS,_CLK
P1_Y/G0-9
P1_PR/R0-9
P1_PB/B0-9
P1_HS,_VS,_CLK
P1_FLD,_ACT
P2_Y/GO0-9
P2_HS,_VS,_CLK
P2_PB/BO0-9
P2_PR/RO0-9
P2_FLD,_ACT
P2_PB/BE0-9
P2_Y/GE0-9
P2_PR/RE0-9
RGB IN PORT1
PI1DO_0-PI1D_29
PI1HSB,PI1VSB,
PI1CLK
PI1FLD,PI1ACTB
PI2DO_0-PI2D_29
PI2FLD,PI2ACTB
PI2HSB,PI2VSB,
PI2CLK
RGB IN PORT2
(60bit)
(30bit)
I-CHIPS
IC5501
INTERFACE
SD-RAM
SD-RAM1 DATA
ADDRESS
POD_0-POD_59
FPGA3 OUTPUT
SD RAM2 DATA
POHSB,POVSB
POFLD,POAVTB
SO
SI
SCLKB
RSTB
POCLK
MCLK
CLK INPUT
CPU I/F
SD_RAM1
WE,CAS,RAS
ADDR0-11
DQ1-DQ31 VCC
IC5502
VCC
WE,CAS,RAS
ADDR0-11
DQ1-DQ31
SD_RAM2
IC5503
MCDATA-0
ICHIPS-SI
MCCLK
ICHIPS-RST
(30bit)
(30bit)
(30bit)
PO_HS,_VS
PO_RO0-9,PO_GO0-9,PO_BO0-9
PO_FLD,_ACT
PO_RE0-9,PO_GE0-9,PO_BE0-9
(60bit)
DN
DIGITAL SIGNAL PROCESSOR/MICOM
10
11
9
4
6
7
1
5
3
8
2
26
24
23
22
21
25
27
TH-65PF9UK
DN-Board (2 of 3) Block Diagram
TH-65PF9UK
DN-Board (2 of 3) Block Diagram
TH-65PF9UK
97

Table of Contents

Related product manuals