EasyManua.ls Logo

Parker NitroFlow HP - Process Scheme

Parker NitroFlow HP
59 pages
Print Icon
To Next Page IconTo Next Page
To Next Page IconTo Next Page
To Previous Page IconTo Previous Page
To Previous Page IconTo Previous Page
Loading...
K3.1.141e Manual NitroFlow HP_EN.doc - 15 -
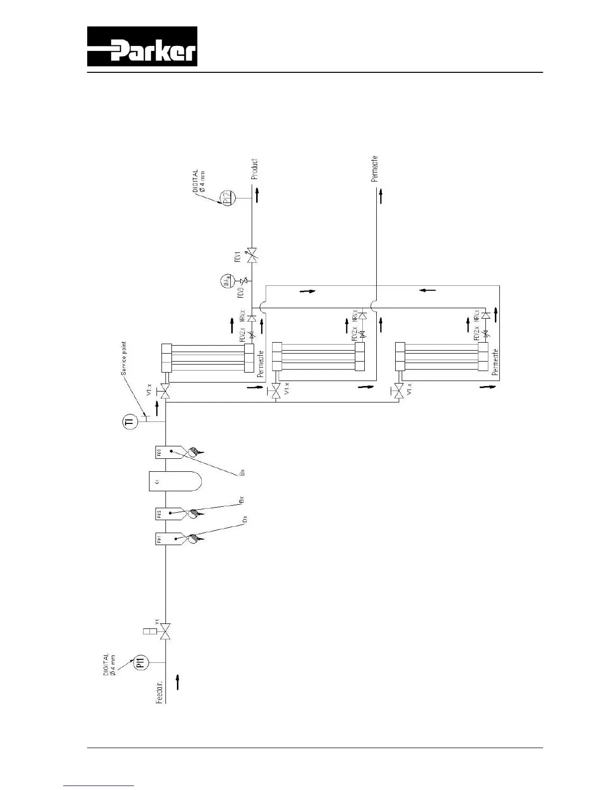
3.5 Process scheme
Y1 Solenoid valve
PI1,2 Pressure indicator
F01 Coarse filter
F02 Fine filter
C1 Carbon adsorber
F03 Dust filter
QIA
h Oxygen analyser
FCV1 Flow control valve for purity adjustment
FCV3 Flow control valve for sample flow
* Only in NitroFlow
®
HP2 and NitroFlow
®
HP3
** Only in NitroFlow
®
HP3
*
**

Table of Contents

Related product manuals