EasyManua.ls Logo

Record HA8-SP - Wiring Diagram

Record HA8-SP
70 pages
Print Icon
To Next Page IconTo Next Page
To Next Page IconTo Next Page
To Previous Page IconTo Previous Page
To Previous Page IconTo Previous Page
Loading...
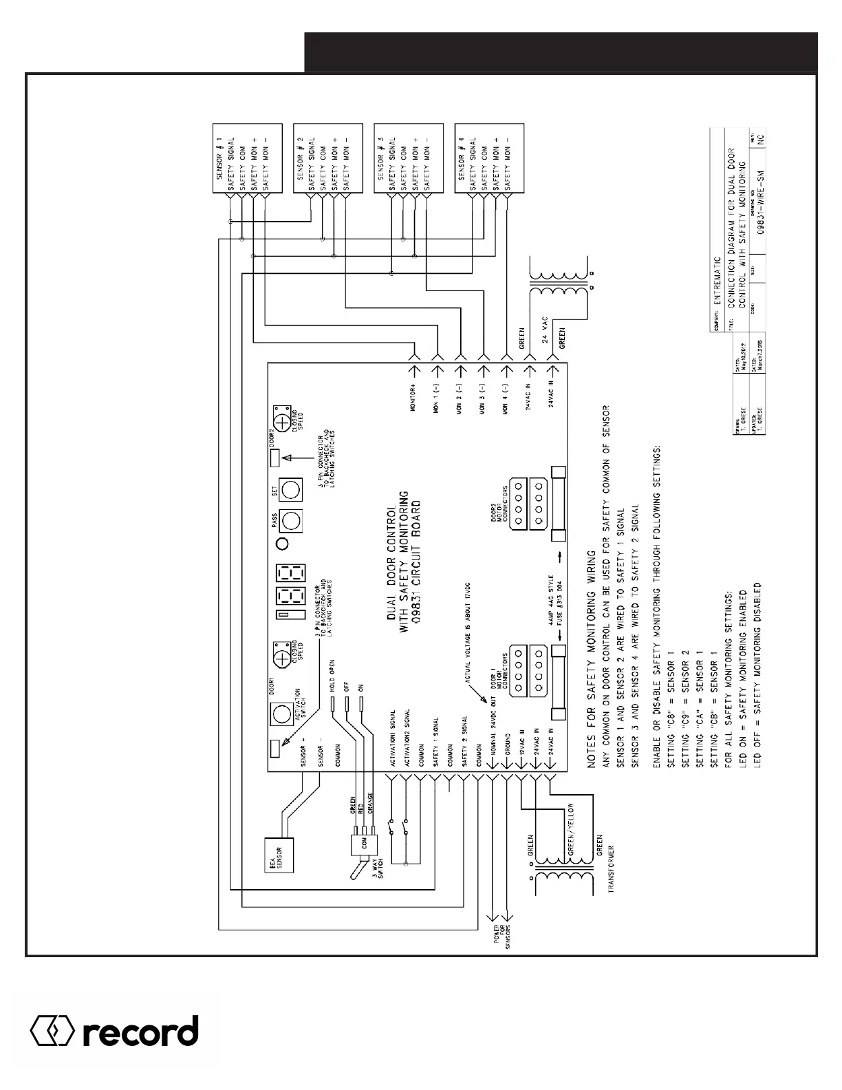
7.2 Wiring Diagram
7.0 DUAL DOOR PROGRAMMING
120 VAC
120 VAC
RECORD
Pg. 59
HA8-SP Manual V. 7.0
Record Canada Inc.
Toll Free: 1-877-348-6837
info.ditec.ca@recorddoors.com
www.recorddoors.ca
Record USA Inc.
Toll Free: 1-866-901-4284
info.ditec.us@recorddoors.com
www.recorddoors.com

Related product manuals