EasyManua.ls Logo

Record HA8-SP - Connection Diagram - Low Energy (ANSI A156.19)

Record HA8-SP
70 pages
Print Icon
To Next Page IconTo Next Page
To Next Page IconTo Next Page
To Previous Page IconTo Previous Page
To Previous Page IconTo Previous Page
Loading...
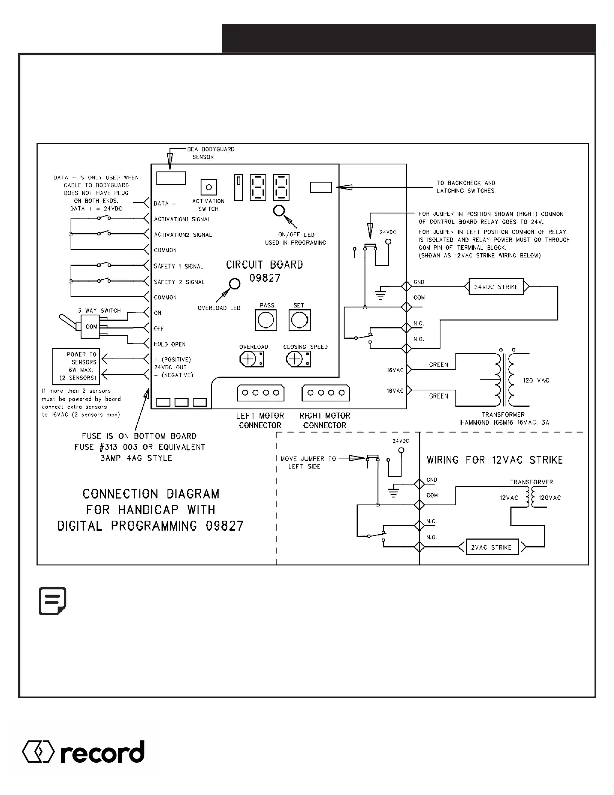
6.0 DIGITAL BOARD & PROGRAMMING
6.2 Connection Diagram - Low Energy (ANSI A156.19)
A Switch or Jumper must be wired from the ON terminal to the OFF terminal for Programming to work!
Pg. 47
HA8-SP Manual V. 7.0
Record Canada Inc.
Toll Free: 1-877-348-6837
info.ditec.ca@recorddoors.com
www.recorddoors.ca
Record USA Inc.
Toll Free: 1-866-901-4284
info.ditec.us@recorddoors.com
www.recorddoors.com

Related product manuals