EasyManua.ls Logo

Renesas R8C series - Page 44

Renesas R8C series
341 pages
Print Icon
To Next Page IconTo Next Page
To Next Page IconTo Next Page
To Previous Page IconTo Previous Page
To Previous Page IconTo Previous Page
Loading...
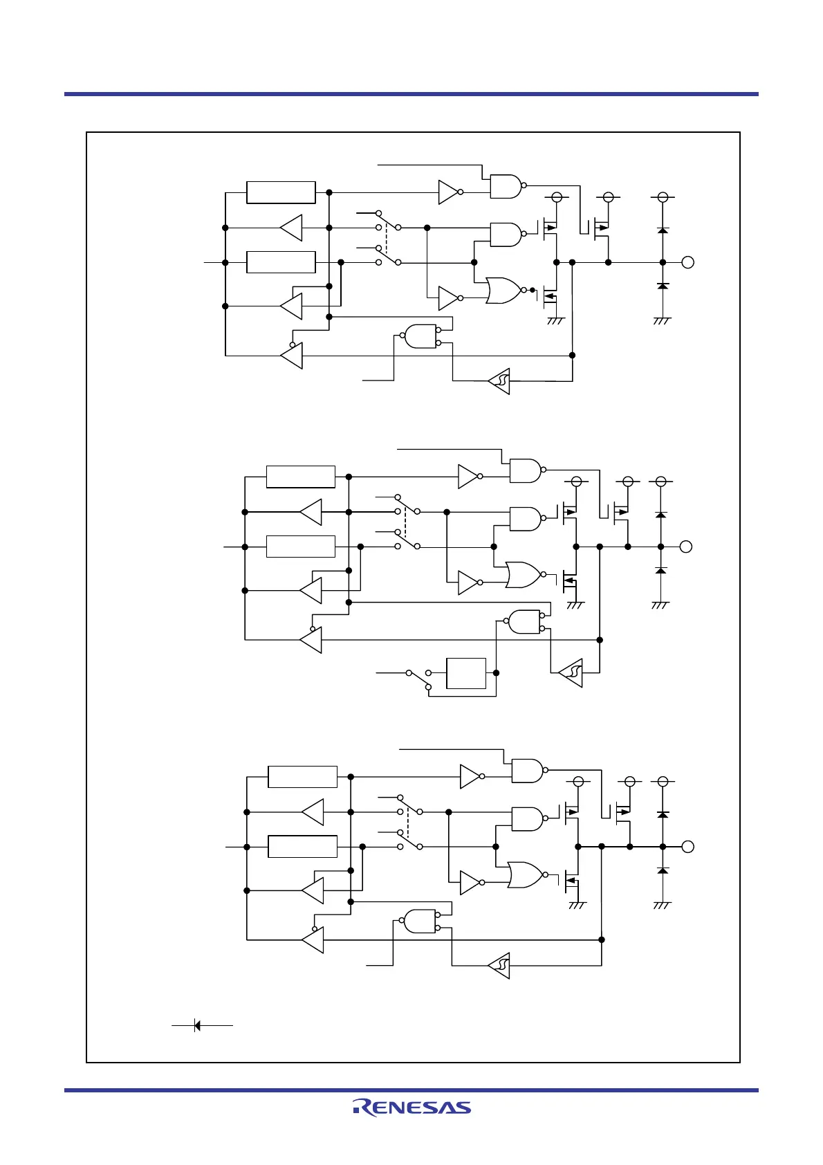
R8C/1A Group, R8C/1B Group 5. Programmable I/O Ports
Rev.1.30 Dec 08, 2006 Page 26 of 315
REJ09B0252-0130
Figure 5.2 Configuration of Programmable I/O Ports (2)
P1_6, P1_7
Port latch
Direction
register
Data bus
Pull-up selection
P3_3
Port latch
Direction
register
Data bus
Pull-up selection
Digital
filter
P3_4, P3_5, P3_7
1
Port latch
Direction
register
Data bus
Pull-up selection
1
Output from individual peripheral function
1
Output from individual peripheral function
Output from individual peripheral function
Input to individual peripheral function
Input to individual peripheral function
Input to individual peripheral function
NOTE :
1. symbolizes a parasitic diode.
Ensure the input voltage to each port will not exceed VCC.
(Note 1)
(Note 1)
(Note 1)

Table of Contents

Related product manuals