EasyManua.ls Logo

Renesas R8C series - Page 45

Renesas R8C series
341 pages
Print Icon
To Next Page IconTo Next Page
To Next Page IconTo Next Page
To Previous Page IconTo Previous Page
To Previous Page IconTo Previous Page
Loading...
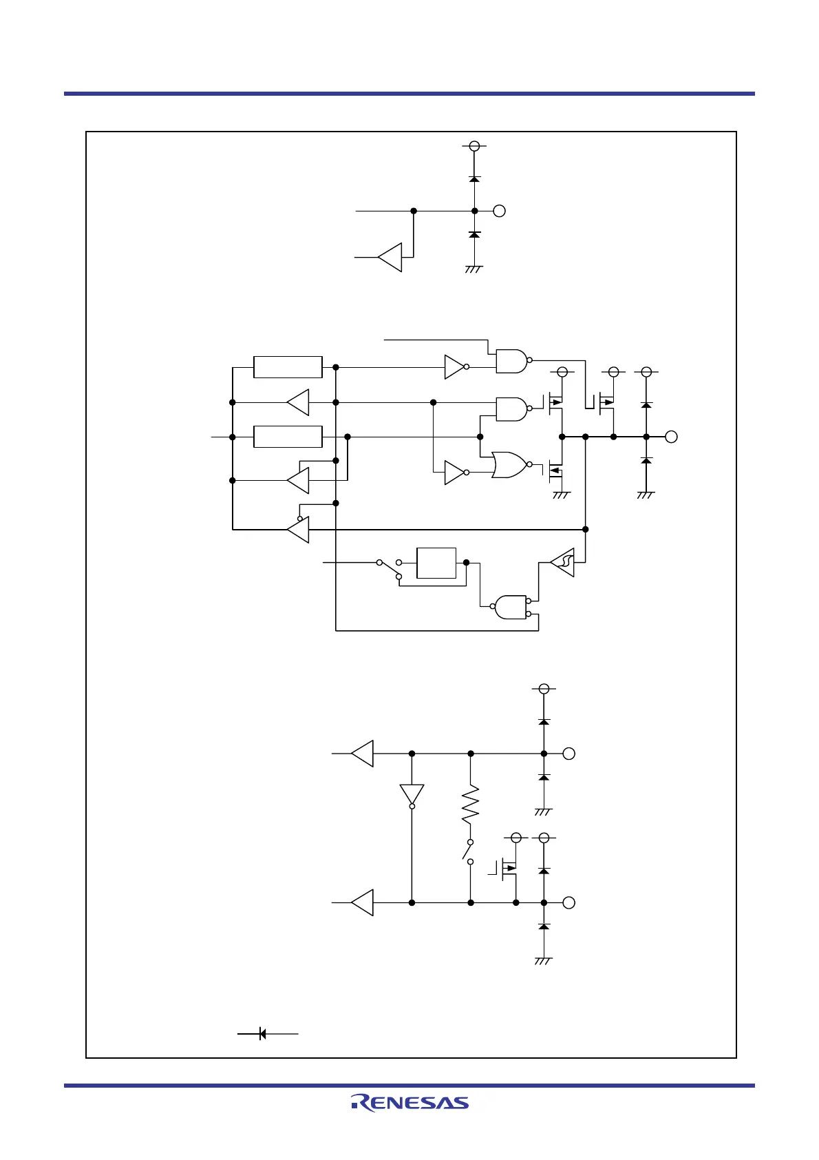
R8C/1A Group, R8C/1B Group 5. Programmable I/O Ports
Rev.1.30 Dec 08, 2006 Page 27 of 315
REJ09B0252-0130
Figure 5.3 Configuration of Programmable I/O Ports (3)
P4_5
Input to individual peripheral function
Port latch
Direction
register
Data bus
Pull-up selection
Digital
filter
P4_6/XIN
Data bus
Clocked inverter
(1)
P4_7/XOUT
Data bus
(Note 2)
(Note 3)
NOTES:
1. When CM05 = 1, CM10 = 1, or CM13 = 0, the clocked inverter is cut off.
2. When CM10 = 1 or CM13 = 0, the feedback resistor is disconnected.
3. When CM05 = CM13 = 1 or CM10 = CM13 = 1, this pin is pulled up.
4. symbolizes a parasitic diode.
Ensure the input voltage to each port does not exceed VCC.
P4_2
Data bus
Vref of A/D converter
(Note 4)
(Note 4)
(Note 4)
(Note 4)

Table of Contents

Related product manuals