EasyManua.ls Logo

Ridder RW800 - Control-Circuit Connection - 3-Wire [RLS]

Ridder RW800
52 pages
Print Icon
To Next Page IconTo Next Page
To Next Page IconTo Next Page
To Previous Page IconTo Previous Page
To Previous Page IconTo Previous Page
Loading...
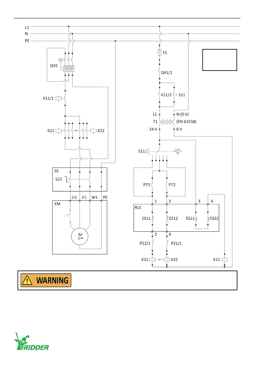
5.5 Control-circuit connecon - 3-wire [RLS]
RW45
RW241/242
Connect all safety switches (ES21/22) and duty switches (ES11/12).
This is necessary for safety and correct funconal operaon.
RLS connecons: 1–6
Ridder Drive Systems B.V.
T +31 (0)341 416 854 - F +31 (0)341 416 611 - I ridder.com
34

Table of Contents

Other manuals for Ridder RW800

Related product manuals