EasyManua.ls Logo

Rottler HP 7A - Injection Oiler

Rottler HP 7A
206 pages
Print Icon
To Next Page IconTo Next Page
To Next Page IconTo Next Page
To Previous Page IconTo Previous Page
To Previous Page IconTo Previous Page
Loading...
Section 8 Machine Parts HP7A Manual
www.rottlermfg.com
8-10
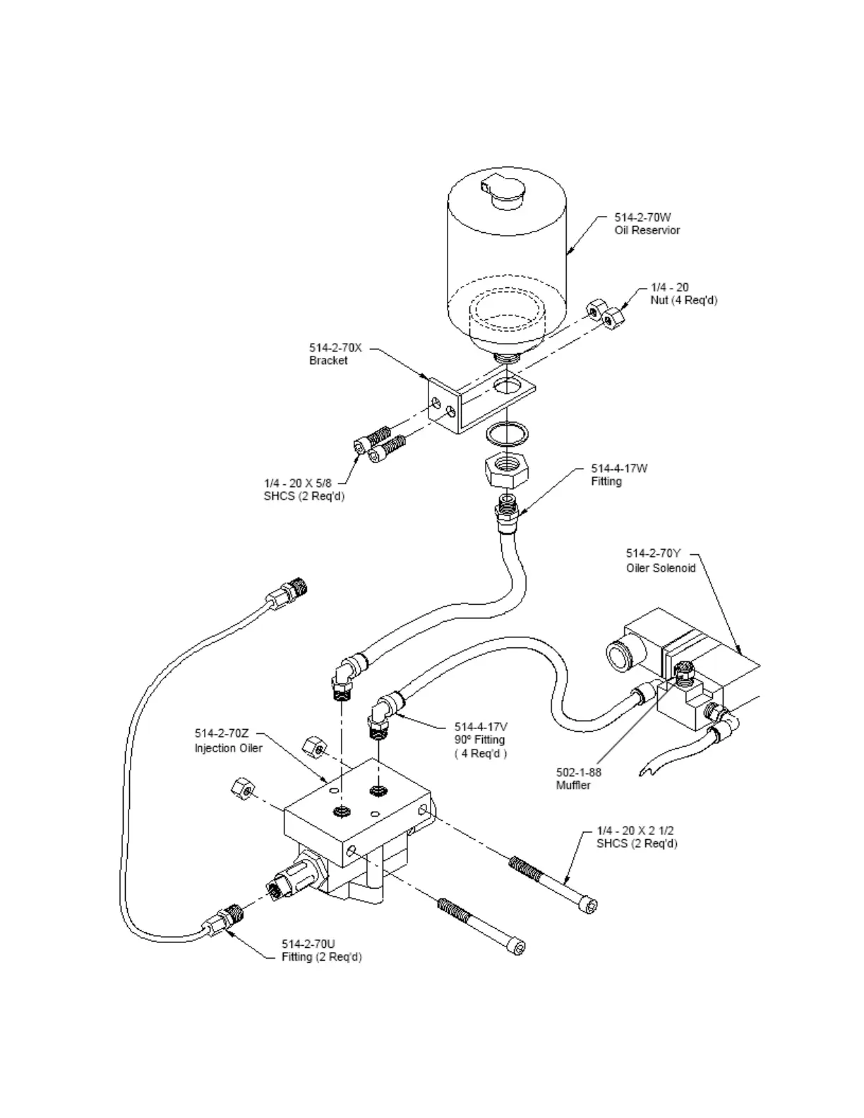
Injection Oiler

Table of Contents

Related product manuals