EasyManua.ls Logo

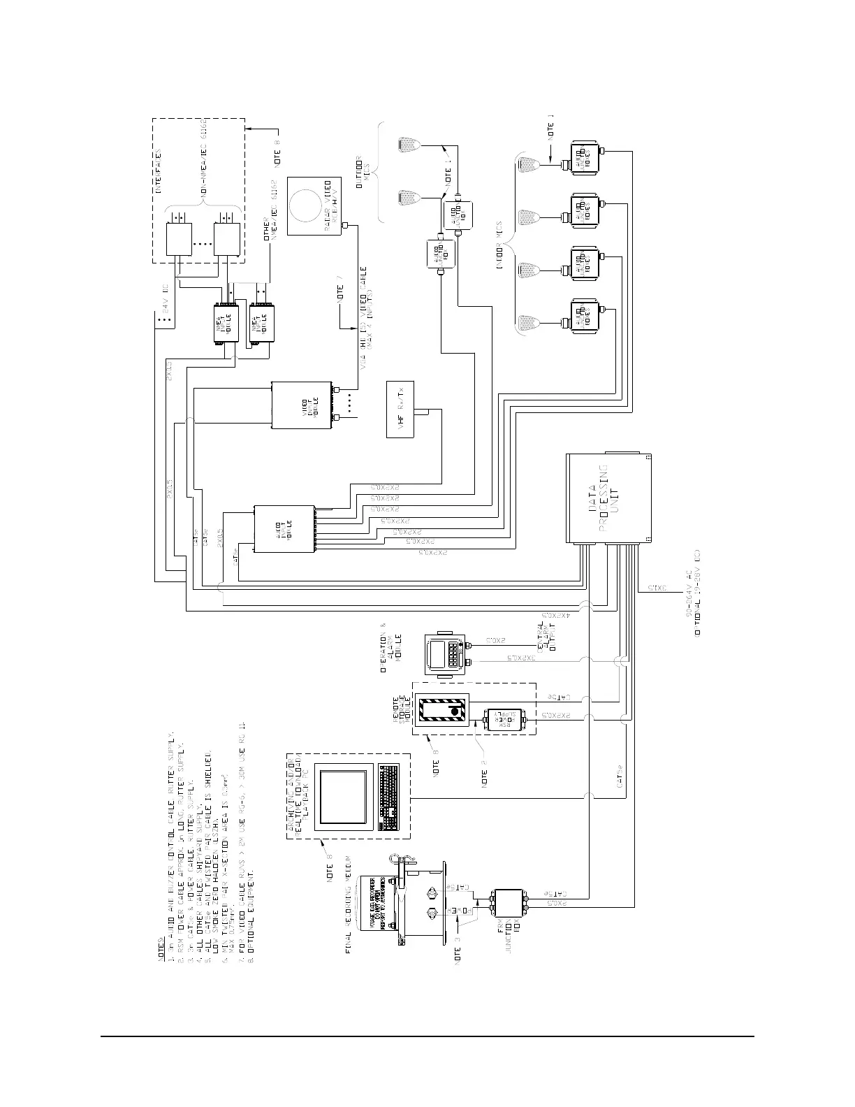
Rutter VDR-100G2 - Figure 1-20 - System Overview (Without DAU)

Default Icon
79 pages
Print Icon
To Next Page IconTo Next Page
To Next Page IconTo Next Page
To Previous Page IconTo Previous Page
To Previous Page IconTo Previous Page
Loading...
VDR-100G2/G2S Operation User Manual 18
RUT-UM-02-002_Rev. 2.0
> ENTER FOR MAIN MENU
STATUS CLEAR
Dim
Mute
RSM
Next
Text
Prev.
Cancel
Enter
Data
View
Backup
Emrg.
Remote St orage Module
VDR-100G2
Figure 1-20 - System Overview (without DAU)

Table of Contents

Related product manuals